SKFSALKB20F轴承详细参数

发布时间:2026-04-14
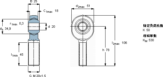
免维护杆端, 阳螺纹, 钢/PTFE复合材料
主要数据尺寸 角度倾的 基本负荷额定值 质量 型号
动态 静态 轴承座完全与密封件
d d2 B d3 C1 h ± C C0
6g
mm 度数 kN kg -
205125M 20x1.518781431500,37SALKB 20 F

SKFSALKB20F免维护的杆端关节轴承供应商

八零动力专业销售SALKB20F免维护的杆端关节轴承,库存SKFSALKB20F大量现货,与SKF合作,咨询热线:022-58519723业务咨询
SKFSALKB20F稳定持久高精度的轴承,为设备的稳定运行提供了坚实保障它在化工设备中的应用,展现了它的耐腐蚀性 卓越的性能表现,使这款轴承在市场上拥有良好的口碑它的品质卓越,为机械设备的高效、稳定运行保驾护航它的高效率,让机械运转更加节能 ,八零动力SKF免维护的杆端关节轴承品种全,价格优,质量有保证!

用户关注最多的SKF轴承型号

SKF22232CCK/W33+H3132 SKF2x7220BECCM SKF7202ACD/P4A SKF7228B/DF SKFBT2B328383/HA1 SKFBT4B331809/HA1 SKFC7012FB/P7 SKFHE2324L SKFHK5022RS SKFHM31/530 SKFNJ2330ECMA SKFNU2240E SKFOH3088H SKFSIKAC14M SKFYEL212-204-2F

SALKB20F免维护的杆端关节轴承近似的SKF轴承型号

SKFSAL20C SKFSIKB20F SKFSALKB20F SKFSILKB20F SKFSAKB20F SKFSI20C SKFSIL20C SKFSA20C SKFSALKB18F SKFSALKB22F

用户关注最多的轴承狗热门型号

LYC  1G6139/681 SKF  SNW28x4.13/16 SKF  CR31870 LYC  24076 CA/W33 MAC  NUP2213 NACHI  6906ZZE NTN  4T-32004X FAG  BND2264-H-C-T-BF-S TIMKEN  AOH3148 SKF  PCM353920E NACHI  E30206J NACHI  32320 IKO  RNA497 IKO  LRXD12...SL IKO  CRWM1-50

版权所有©2009-2015 轴承狗zcgou.com ICP备案:津ICP备14004550号-13