SKFSAKB20F轴承详细参数

发布时间:2026-05-30
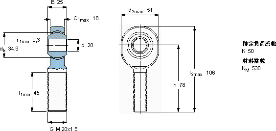
免维护杆端, 阳螺纹, 钢/PTFE复合材料
主要数据尺寸 角度倾的 基本负荷额定值 质量 型号
动态 静态 轴承座完全与密封件
d d2 B d3 C1 h ± C C0
6g
mm 度数 kN kg -
205125M 20x1.518781431500,37SAKB 20 F

SKFSAKB20F免维护的杆端关节轴承供应商

八零动力专业销售SAKB20F免维护的杆端关节轴承,库存SKFSAKB20F大量现货,与SKF合作,咨询热线:022-58519723业务咨询
SKFSAKB20F是您成功路上的得力助手,承载重载历经岁月它的故障率极低,确保了设备的稳定运行 它的使用寿命,远超同类产品 减少摩擦降低能耗它在机床设备中的应用,确保了加工精度 ,八零动力SKF免维护的杆端关节轴承品种全,价格优,质量有保证!

用户关注最多的SKF轴承型号

SKF23064CC/W33 SKF239/500CAK/W33* SKF315982 SKF61915/W64 SKF6213-2ZN SKF71928CD/HCP4A SKF7204ACD/P4A SKFC3148K+OH3148HTL* SKFC41/600MB* SKFCR530733 SKFCR93115 SKFCR80X110X12HMS5RG SKFFBSA206/DF SKFN316E SKFPNA20/42

SAKB20F免维护的杆端关节轴承近似的SKF轴承型号

SKFSIKB20F SKFSAKB20F SKFSA20C SKFSIL20C SKFSI20C SKFSALKB20F SKFSAL20C SKFSILKB20F SKFSAKB18F SKFSAKB22F

用户关注最多的轴承狗热门型号

NTN  23180BK TIMKEN  32311-B/32311-B NTN  NJ224E FAG  20238-MB KOYO  RF566020 LYC  22228 K/W33 NSK  24072CAK30E4 INA  RWS1808-150/x150/x106 SKF  FSAFC2615 INA  CSEC070 LYC  22310/P62 NTN  2303 LYC  NU 2938 Q1/P6S0 SKF  891/1000M IKO  IRB2220

版权所有©2009-2015 轴承狗zcgou.com ICP备案:津ICP备14004550号-13