SKFSILKB20F轴承详细参数

发布时间:2026-04-14
免维护杆端, 阴螺纹, 钢/PTFE复合材料
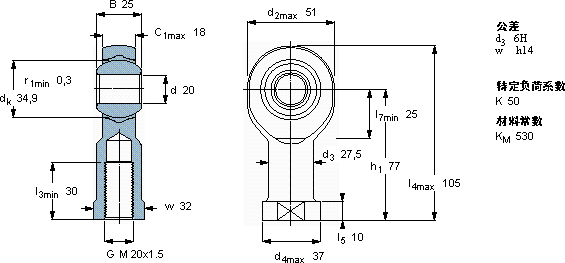
主要数据尺寸 角度倾的 基本负荷额定值 质量 型号
动态 静态 轴承座完全与密封件
d d2 B d3 C1 h1± C C0
6H
mm 度数 kN kg -
205125M 20x1.518771431500,42SILKB 20 F

SKFSILKB20F免维护的杆端关节轴承供应商

八零动力专业销售SILKB20F免维护的杆端关节轴承,库存SKFSILKB20F大量现货,与SKF合作,咨询热线:022-58519723业务咨询
SKFSILKB20F精湛的工艺打造出的轴承,精度和稳定性都令人称赞它的尺寸一致性,让批量生产成为可能 轴承的精度极高,使得设备的运行误差被控制在极小范围内制造工艺精湛,使得这款轴承的精度和稳定性都非常出色为您的机械注入强大动力,这款轴承的性能卓越,有效提升了设备的整体性能和可靠性,八零动力SKF免维护的杆端关节轴承品种全,价格优,质量有保证!

用户关注最多的SKF轴承型号

SKF23226CCK/W33+H2326 SKF232/500CAC/W33 SKF63009-2RS1 SKF71917CD/HCP4A SKFBFSD353288/HA4 SKFCR402506 SKFHE319E SKFNJ328E+HJ328E SKFNK45/30TN SKFNU306ECP* SKFNU222ECJ* SKFNUP215ECP* SKFRNA6901 SKFSNL3168GF SKFSYE3.1/2-18

SILKB20F免维护的杆端关节轴承近似的SKF轴承型号

SKFSILKB20F SKFSIL20C SKFSI20C SKFSALKB20F SKFSA20C SKFSAL20C SKFSAKB20F SKFSIKB20F SKFSILKB18F SKFSILKB22F

用户关注最多的轴承狗热门型号

INA  KUSE30-L MRC  7200B/DT KOYO  7205B/DF SKF  CR65021 FAG  NJ234-E-M1 RIV  NJ311 NTN  6301-ZN FAG  SNV180-L + 21317-E1-K + H317 + FSV617 NSK  686A NSK  51424X 国产  30321 SKF  SYH1.15/16RM KOYO  65237/500 IKO  NBXI3532Z IKO  AZK15020518

版权所有©2009-2015 轴承狗zcgou.com ICP备案:津ICP备14004550号-13