SKFSI17ES轴承详细参数

发布时间:2026-04-14
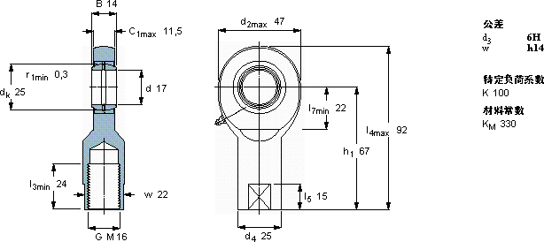
需要维护的杆端, 钢对钢,阴螺纹
主要数据尺寸 角度倾的 基本负荷额定值 质量 型号
动态 静态 杆端带右或左旋螺纹
d d2 B d3 C1 h1± C C0
6H
mm 度数 kN kg -
174714M 1611,5671021,2440,25SI 17 ES

SKFSI17ES需维护的杆端关节轴承供应商

八零动力专业销售SI17ES需维护的杆端关节轴承,库存SKFSI17ES大量现货,与SKF合作,咨询热线:022-58519723业务咨询
SKFSI17ES先进的制造工艺,让这款轴承的性能更加稳定可靠它的滚动体与沟槽的配合,堪称完美 它的精密测量技术,确保了每一件产品的品质 没有轴承,现代机械将寸步难行,运转起来如此顺滑,这款轴承的制造工艺着实令人赞叹它的每一次转动,都是对精准度的极致追求 ,八零动力SKF需维护的杆端关节轴承品种全,价格优,质量有保证!

用户关注最多的SKF轴承型号

SKF53414 SKF7009C/DT SKF71922DB/P7 SKFCR15506 SKFCR250x310x25HDS1R SKFCR30x50x8CRW1V SKFCR36X62X7HMSA10RG SKFCR45X55X7HMS5V SKFCR7455 SKFCR9X22X7HMSA10RG SKFH3028 SKFIR15x18x16.5 SKFNNCF4832CV SKFYAR209-112-2F SKFYHC209-108-2LS8W/VT357

SI17ES需维护的杆端关节轴承近似的SKF轴承型号

SKFSIL17ES SKFSAL17ES SKFSI17ES SKFSA17ES SKFSI17C SKFSI20C

用户关注最多的轴承狗热门型号

SKF  CR36X46X9CRS1R TIMKEN  755/752 SKF  CR13536 SKF  NNCF5072CV SKF  FYC35WF SKF  NNU6032M SNR  7309AC/DF NSK  75BNR20SV1V FAG  SNV052-L + 22205-E1-K + H305 + FSV505 BARDEN  7228AC/DF RHP  6206-RS INA  RMWE12-RB/149x../36 NTN  6007LLH NTN  NJ2218E+HJ2218E GMN  7036C/DT

版权所有©2009-2015 轴承狗zcgou.com ICP备案:津ICP备14004550号-13