SKFSI20ES轴承详细参数

发布时间:2026-05-30
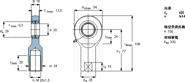
需要维护的杆端, 钢对钢,阴螺纹
主要数据尺寸 角度倾的 基本负荷额定值 质量 型号
动态 静态 杆端带右或左旋螺纹
d d2 B d3 C1 h1± C C0
6H
mm 度数 kN kg -
205416M 20x1,513,577930570,34SI 20 ES

SKFSI20ES需维护的杆端关节轴承供应商

八零动力专业销售SI20ES需维护的杆端关节轴承,库存SKFSI20ES大量现货,与SKF合作,咨询热线:022-58519723业务咨询
SKFSI20ES它的长寿命,减少了资源浪费 它的加工精度,确保了机械运转的稳定性 性能优越的轴承,极大地提升了设备的工作性能和效率它在矿山设备中的应用,确保了设备的高负载能力 它在船舶工业中的应用,展现了它的耐腐蚀性 成就非凡转动体验让您的设备一顺到底,,八零动力SKF需维护的杆端关节轴承品种全,价格优,质量有保证!

用户关注最多的SKF轴承型号

SKF24076CACK30/W33 SKF24130CCK30/W33 SKF2x7230BCBM SKF30302J2 SKF626-2RSLTN9/HC5C3WTF1 SKF7040C/DT SKF7316B SKFBT4B328956/HA4 SKFCR160X185X15HMS5V SKFGEH70ES-2RS SKFGS81272 SKFNJ213E SKFPWM140155100 SKFSAF22536x6.1/2 SKFVJ-PDRJ319

SI20ES需维护的杆端关节轴承近似的SKF轴承型号

SKFSA20ES SKFSIJ20ES SKFSILKAC20M SKFSIL20ES SKFSI20ES SKFSIQG200ES SKFSIQG20ES SKFSIR120ES SKFSAKAC20M SKFSC20ES SKFSI20C SKFSI25C

用户关注最多的轴承狗热门型号

SKF  FBSA212A/QFC SKF  AOH3268G INA  CSCC042 NSK  NUP209EM LYC  NJ 068 M FAG  29426-E1 SKF  FSAF22312 FAG  BND2228-Z-T-BF-S MRC  71908C/DT NTN  3217 NTN  22322BK+H2322X NTN  HK0910 MRC  6200-ZN MRC  6307-RS RIV  NU2224

版权所有©2009-2015 轴承狗zcgou.com ICP备案:津ICP备14004550号-13