SKFSCF100ES轴承详细参数

发布时间:2026-04-14
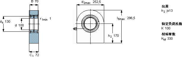
需要维护的杆端, 钢对钢,焊接柄
主要数据尺寸 角度倾的 基本负荷额定值 质量 型号
动态 静态
d d2 B C1 h2± C C0
最大
mm 度数 kN kg -
100252,570721707610143031,5SCF 100 ES

SKFSCF100ES需维护的杆端关节轴承供应商

八零动力专业销售SCF100ES需维护的杆端关节轴承,库存SKFSCF100ES大量现货,与SKF合作,咨询热线:022-58519723业务咨询
SKFSCF100ES它的高可靠性,减少了设备停机时间 高精度的制造工艺,造就了这款高品质的轴承它的轴向跳动控制,确保了机械的平稳运行 精准承载转动世界的精密之选,它的低噪音设计,减少了对环境的噪音污染 ,八零动力SKF需维护的杆端关节轴承品种全,价格优,质量有保证!

用户关注最多的SKF轴承型号

SKF22232CCK/W33+H3132 SKF23226CC/W33 SKF234724B SKF6016-Z* SKF61913-2RS SKFCR1000111 SKFCR19237 SKFCR44275 SKFCR9855 SKFK55x60x27 SKFN1016KTNHA/HC5SP SKFNNU4926BK/SPW33 SKFNU2322ECP SKFSYL40TR/VE495 SKFVJ-PDRJ316

SCF100ES需维护的杆端关节轴承近似的SKF轴承型号

SKFSCF100ES SKFSIJ100ES SKFSIQG100ES SKFSIR100ES SKFSC80ES SKFSCF110ES

用户关注最多的轴承狗热门型号

RHP  7322B/DT FAG  ZRB19X19-QP NSK  7911CTY NACHI  SN630FE SKF  C30/670KM* SKF  6215/C3VL0241 FAG  30/7-B-2Z-TVH SKF  SDAF23248KAx8.15/16 NACHI  7301BDB SKF  CR80x100x10CRW1R TIMKEN  33212 /33212 FAG  635-2RSR SKF  NUP226E MRC  6218-2RS SKF  CR49990

版权所有©2009-2015 轴承狗zcgou.com ICP备案:津ICP备14004550号-13