SKFCR403252轴承详细参数

发布时间:2026-05-30
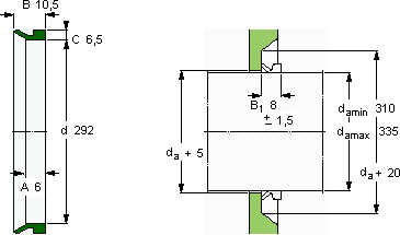
V形环密封件, VR3 设计
V形环密封件
da d A B C
最小 最大
mm mm - - - -
310335292610,56,5VR3RCR 403252403252

SKFCR403252V型圈密封供应商

八零动力专业销售CR403252V型圈密封,库存SKFCR403252大量现货,与SKF合作,咨询热线:022-58519723业务咨询
SKFCR403252就是选择高效与可靠精湛的制造工艺赋予了这款轴承卓越的性能和品质 高精度低摩擦卓越的性能表现,让这款轴承在市场上脱颖而出成就非凡转动体验让您的设备一顺到底,该轴承的性能优越,极大地提高了设备的工作效率,八零动力SKFV型圈密封品种全,价格优,质量有保证!

用户关注最多的SKF轴承型号

SKF33206 SKF51205V/HR22T2 SKF61811-RS SKF629-2RZ SKF6302-2RS SKFBC4B326361B/HA1 SKFBEAS020052-2RS SKFC71912DB/P7 SKFCR35X52X8CRWA1P SKFCR410x470x25HDS1R SKFCR44973 SKFNUP214ECP* SKFNUP2215ECP SKFSYH1.1/4TF/AH SKFW619/4

CR403252V型圈密封近似的SKF轴承型号

SKFCR403252 SKFCR403250 SKFCR403254

用户关注最多的轴承狗热门型号

INA  PAP1620-P14 SKF  321542 MAC  NJ213 FAG  SNV072-L + 22207-E1-K + H307X102 + DH507X102 NACHI  NUP318E LYC  NH 310 M/P5C9 SKF  7014CD/HCP4A SKF  CR17836 NSK  HR32209CJ INA  PAF25165-P10 NACHI  63/22 INA  NUKRE62 KOYO  22230RHRK+AHX3130 INA  PAP2025-P11 NACHI  6008

版权所有©2009-2015 轴承狗zcgou.com ICP备案:津ICP备14004550号-13