SKFW11轴承详细参数

发布时间:2026-05-30
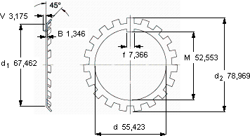
W锁紧垫圈, 英制尺寸
尺寸 体积 型号
锁紧垫圈 适宜的锁定螺母
d d2 B
mm kg -
55,42378,9691,3460,022W 11N 11

SKFW11轴承附件供应商

八零动力专业销售W11轴承附件,库存SKFW11大量现货,与SKF合作,咨询热线:022-58519723业务咨询
SKFW11我们的轴承卓越的性能轴承的耐用性极佳,能够承受高强度的工作负荷它的抗压强度,让它承载能力惊人 稳定旋转的核心力量是您成功路上的得力助手,它的品质卓越,为机械设备的高效运行提供了坚实后盾,八零动力SKF轴承附件品种全,价格优,质量有保证!

用户关注最多的SKF轴承型号

SKF1210EKTN9+H210 SKF248/1500CAK30FA/W20 SKF6092MB SKF6260M SKF7009ACD/P4A SKF71819CD/P4A SKF7207BEP SKFBT4B329004BG/HA1VA901 SKFCR595613 SKFH3028 SKFNAO25x40x17 SKFNN3040K/SPW33 SKFNUP206ECP* SKFP80R-1.1/4TR SKFS71906CD/P4A

W11轴承附件近似的SKF轴承型号

SKFHS311 SKFH311 SKFSNW115x2.1/2 SKFSNW11x1.15/16 SKFSNP3060x11 SKFSNW113x2.1/8 SKFSNW115x2.3/8 SKFKMT11 SKFSNW113x2.3/16 SKFSNW117x2.13/16 SKFW10 SKFW12

用户关注最多的轴承狗热门型号

NACHI  7007CDB 国产  UCFLU218 SKF  NCF2917CV SKF  CR110X130X12HMSA10RG RIV  NJ202 NACHI  7201 KOYO  7319AC/DT FAG  SNV062-L + 1206-K-TVH-C3 + H206X014 + DH506X014 LYC  6314 E/Z1 国产  N305ETN1 SNR  6013N ZKL  32036 IKO  LRTZ10511550 IKO  BAM2216 IKO  GBRI61816U

版权所有©2009-2015 轴承狗zcgou.com ICP备案:津ICP备14004550号-13