SKF2x7311BECBP*轴承详细参数

发布时间:2026-04-14
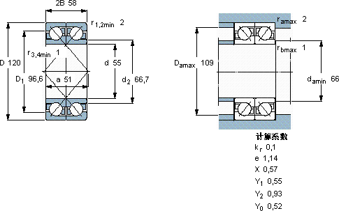
角接触球轴承, 单列,用于配对安装, 面对面配对
主要数据尺寸 基本负荷额定值 疲劳负荷限值 额定速度 体积 型号 轴承配对
动态 静态 参照速度 限制速度
d D 2B C C0 Pu * - SKF Explorer 轴承
mm kN kN r/min kg --
55120581401205,1560070002,702 × 7311 BECBP *DF

SKF2x7311BECBP*角接触球轴承供应商

八零动力专业销售2x7311BECBP*角接触球轴承,库存SKF2x7311BECBP*大量现货,与SKF合作,咨询热线:022-58519723业务咨询
SKF2x7311BECBP*这轴承的稳定性极佳,在高速运转时也能保持良好状态是您值得信赖的工业伙伴,为您的机械保驾护航它的故障率极低,确保了设备的稳定运行 优秀的设计理念和精湛的制造工艺,成就了这款优秀的轴承精准运转它的密封性能,减少了润滑剂的泄漏 ,八零动力SKF角接触球轴承品种全,价格优,质量有保证!

用户关注最多的SKF轴承型号

SKF240/1000CAF/W33 SKF30320J2/DFC400 SKF7219B/DB SKFBT4-8043G/HA1 SKFC4024K30V+AH24024* SKFCR158X180X15CRSH13R SKFCR19762 SKFCR400321 SKFHE3024 SKFNNU41/600K30M/W33 SKFNU20/800ECMA SKFOKBS131 SKFS71928ACD/HCP4A SKFSY15/16FM SKFW638/1.5-2Z

2x7311BECBP*角接触球轴承近似的SKF轴承型号

SKF7311BEY SKF7311BECBY SKF7311BEGBY SKF2x7311BECBM* SKF2x7311BEGAM* SKF7311 BECBY/W64 SKF2x7311BEGBY SKF2x7311BEGAY SKF7311BEGAY SKF2x7311BECBJ SKF2x7311BECBM* SKF2x7311BECBPH*

用户关注最多的轴承狗热门型号

TIMKEN  LM565949/LM565910-B KOYO  453/500 SNR  6214-RS TIMKEN  13685A/13620 FYH  UKFU309+H2309 MAC  NU1080 FAG  SNV200-L + 22222-E1 + TSV222 INA  SL182938 NTN  234724B SKF  C39/1180KMB* SKF  CR170X190X15CRSH1R STEYR  NU2234E TIMKEN  MS3144 STEYR  6208-RS 国产  60002RS/Z2

版权所有©2009-2015 轴承狗zcgou.com ICP备案:津ICP备14004550号-13