SKF2x7311BEGBM*轴承详细参数

发布时间:2026-04-15
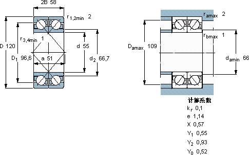
角接触球轴承, 单列,用于配对安装, 面对面配对
主要数据尺寸 基本负荷额定值 疲劳负荷限值 额定速度 体积 型号 轴承配对
动态 静态 参照速度 限制速度
d D 2B C C0 Pu * - SKF Explorer 轴承
mm kN kN r/min kg --
55120581401205,1560070003,002 × 7311 BEGBM *DF

SKF2x7311BEGBM*角接触球轴承供应商

八零动力专业销售2x7311BEGBM*角接触球轴承,库存SKF2x7311BEGBM*大量现货,与SKF合作,咨询热线:022-58519723业务咨询
SKF2x7311BEGBM*它的模块化设计,让安装和更换变得轻松便捷 它的制造工艺,堪称工业艺术的典范 它在船舶工业中的应用,展现了它的耐腐蚀性 它的耐腐蚀性,减少了维护成本 精湛的工艺打造出的轴承,精度和稳定性都令人称赞这轴承的制造工艺精湛,展现出了极高的工业水准,八零动力SKF角接触球轴承品种全,价格优,质量有保证!

用户关注最多的SKF轴承型号

SKF2208ETN9 SKF2211EKTN9 SKF23268CAC/W33 SKF292/670 SKF5311E SKF6209-2Z* SKFBT4B328944G/HA1VA901 SKFBVNB329005/HA1 SKFCR38x50x7CRW1R SKFFYT2.3/16TF/VA201 SKFIR110x125x40 SKFNK10/12TN SKFNA2202.2RS SKFNCF28/900V SKFNUP234ECM

2x7311BEGBM*角接触球轴承近似的SKF轴承型号

SKF7311BEY SKF7311BEP SKF2x7311BEGAY SKF2x7311BEGAP* SKF2x7311BECBJ SKF7311BEGBM* SKF7311BECBP SKF7311BEGAP* SKF7311BEGAY SKF2x7311BECCM* SKF2x7311BEGAY SKF2x7311BEGBP*

用户关注最多的轴承狗热门型号

国产  61915-ZN KOYO  16019 TIMKEN  M241547C/M241513D+M241547XA NSK  NU2217W 国产  6208-ZNR TIMKEN  K24X28X17H FAG  QJ216-MPA NACHI  6903ZZE LYC  81152 M/P5 TIMKEN  J594X/592A FAG  SD3188-H-TS-AL-L + 23188-K-MB DKF  7202AC/DT SKF  CR35X58X10HMSA10V SKF  22244-2CS5/VT143* IKO  NAS5020UUNR

版权所有©2009-2015 轴承狗zcgou.com ICP备案:津ICP备14004550号-13