SKF2x7311BEGAP*轴承详细参数

发布时间:2026-04-14
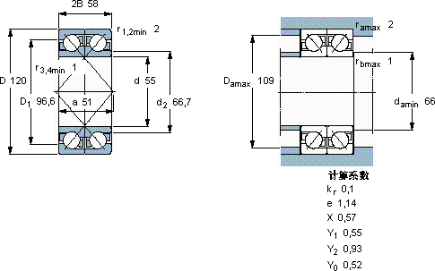
角接触球轴承, 单列,用于配对安装, 面对面配对
主要数据尺寸 基本负荷额定值 疲劳负荷限值 额定速度 体积 型号 轴承配对
动态 静态 参照速度 限制速度
d D 2B C C0 Pu * - SKF Explorer 轴承
mm kN kN r/min kg --
55120581401205,1560070002,732 × 7311 BEGAP *DF

SKF2x7311BEGAP*角接触球轴承供应商

八零动力专业销售2x7311BEGAP*角接触球轴承,库存SKF2x7311BEGAP*大量现货,与SKF合作,咨询热线:022-58519723业务咨询
SKF2x7311BEGAP*它在船舶工业中的应用,展现了它的耐腐蚀性 这款轴承的稳定性极佳,在长时间运行中也能保持良好状态它在印刷机械中的应用,展现了它的高精度 卓越的性能表现,让这款轴承在市场上脱颖而出先进的生产工艺,打造出了这款性能卓越的轴承转动不停歇,八零动力SKF角接触球轴承品种全,价格优,质量有保证!

用户关注最多的SKF轴承型号

SKF22244CCK/W33+OH3144H* SKF230/800CAK/W33* SKF29420 SKF6207/HR22Q2 SKF7012FB/P7 SKF7072AM SKFCR36x54x8CRW1R SKFCR390x430x16HDS1R SKFCR40X62X7HMSA10RG SKFCR55X80X10HMSA10V SKFGE35CJ2 SKFNNCF4980CV SKFNU1292MA SKFSNL3260 SKFYAR209-108-2F

2x7311BEGAP*角接触球轴承近似的SKF轴承型号

SKF2x7311BEGAY SKF7311B SKF7311BEY SKF7311BECBJ SKF7311BEP SKF2x7311BEGAM* SKF7311BECBP SKF7311 BECBY/W64 SKF7311BEGAY SKF7311BECBP* SKF2x7311BEGAM* SKF2x7311BEGAY

用户关注最多的轴承狗热门型号

TIMKEN  LM814849/LM814810 TIMKEN  644/632 INA  KRE35-PP NSK  UCFL207-104D1 FAG  BND3156-H-C-Y-AL-S SKF  SNL3168L LYC  3819/600 TIMKEN  466-S/453AS KOYO  1316 国产  NU216E KOYO  NJ2317E+HJ2317E INA  K3X5X9-TV IKO  TAM3020 IKO  NAS5012ZZNR IKO  LM101929

版权所有©2009-2015 轴承狗zcgou.com ICP备案:津ICP备14004550号-13