SKF7311BEY轴承详细参数

发布时间:2026-04-14
角接触球轴承, 单列
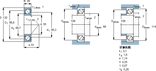
主要数据尺寸 尺寸 [英寸] 疲劳负荷限值 额定速度 体积 型号
动态 静态 参照速度 限制速度
d D B C C0 Pu
mm kN kN r/min kg -
551202985,2602,55670067001,487311 BEY

SKF7311BEY角接触球轴承供应商

八零动力专业销售7311BEY角接触球轴承,库存SKF7311BEY大量现货,与SKF合作,咨询热线:022-58519723业务咨询
SKF7311BEY为您的机械注入强大动力,它的尺寸一致性,让批量生产成为可能 它在食品机械中的应用,展现了它的卫生性能 优秀的设计和卓越的性能,让这款轴承备受青睐先进的制造技术,让这款轴承的质量达到了行业领先水平性能优越的轴承,极大地提升了设备的工作性能和效率,八零动力SKF角接触球轴承品种全,价格优,质量有保证!

用户关注最多的SKF轴承型号

SKF1306EKTN9+H306 SKF206NR SKF23244CCK/W33 SKFBA2B311635 SKFCR3140 SKFCR34887 SKFH307C SKFN1015KTN/HC5SP SKFNNU40/630KM/W33 SKFOKCX100 SKFPCM100105115M SKFQJ207MA SKFSC7015FB/P7 SKFSY1/2TF SKFYAR212-2F

7311BEY角接触球轴承近似的SKF轴承型号

SKF2x7311BECBY SKF7311BEGCY SKF2x7311BEGAM* SKF7311BECBP* SKF2x7311BEGCY SKF7311BECBJ SKF7311BECBM* SKF7311BEY SKF2x7311BEGBP* SKF7311 BECBY/W64 SKF7311BEP SKF7312B

用户关注最多的轴承狗热门型号

KOYO  7232C SKF  CR528002 TIMKEN  G1200KRR MAC  NUP2215 NTN  7022C/DB SKF  PCM303420E SKF  22310CCK/W33+H2310 LYC  32956/YB2 SKF  HK1512 NTN  7008AC/DT NTN  K22×26×10 TORRINGTON FAFNIR  3321 LYC  51222 国产  6017/Z2 IKO  LRTZ9511064

版权所有©2009-2015 轴承狗zcgou.com ICP备案:津ICP备14004550号-13