SKF7311BEP轴承详细参数

发布时间:2026-04-14
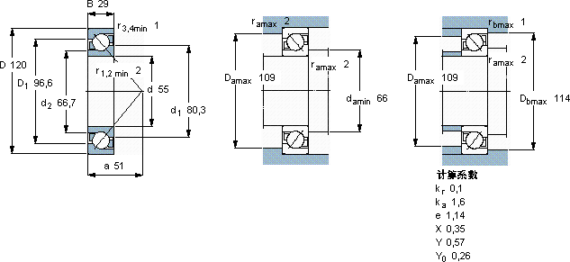
角接触球轴承, 单列
主要数据尺寸 尺寸 [英寸] 疲劳负荷限值 额定速度 体积 型号
动态 静态 参照速度 限制速度
d D B C C0 Pu
mm kN kN r/min kg -
551202979,3552,32670067001,347311 BEP

SKF7311BEP角接触球轴承供应商

八零动力专业销售7311BEP角接触球轴承,库存SKF7311BEP大量现货,与SKF合作,咨询热线:022-58519723业务咨询
SKF7311BEP这轴承的稳定性极佳,即使在恶劣环境下也能正常工作引领行业速度,我们的轴承始终稳如磐石坚固的结构稳定的性能它的可回收性,体现了环保理念 这轴承的设计精妙,充分考虑了各种实际应用需求它的可回收性,减少了废弃物处理成本 ,八零动力SKF角接触球轴承品种全,价格优,质量有保证!

用户关注最多的SKF轴承型号

SKF31315J2/QCL7C SKF51102V/HR22Q2 SKF52406 SKF7001ACD/HCP4A SKF7010CE/P4A SKFBT4B328965/HA1 SKFCR100X130X12HMSA10V SKFCR14979 SKFCR19823 SKFCR36147 SKFFYRP1.15/16H SKFJL69349A/310/Q SKFOKF380 SKFS7026CD/P4A SKFWS89434

7311BEP角接触球轴承近似的SKF轴承型号

SKF7311BECBM* SKF2x7311BEGAP* SKF7311BECBP SKF2x7311BEGAM* SKF7311BEGAM* SKF7311BEP SKF7311BECCM* SKF7311BEP SKF2x7311BEGBM* SKF7311B SKF7311BEGCY SKF7311BEY

用户关注最多的轴承狗热门型号

NTN  22214CCK/W33 FYH  UK322+H2322 LYC  GY 80 A-3411028 INA  PAPZ2432-P14 KOYO  24034CC/W33 NACHI  420KBE130 LYC  32934 SKF  NUP2304ECP LYC  30217 SKF  CR1100250 LYC  QJ 1060 X1M INA  ZKLN0624-2Z KOYO  28579R/21 IKO  CRY30VR IKO  NA6904UU

版权所有©2009-2015 轴承狗zcgou.com ICP备案:津ICP备14004550号-13