

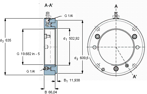
| Hydraulic nuts, inch sizes | ||||||||||||
| 螺纹尺寸 | 尺寸 | Permitted | Piston area | 体积 | 型号 | |||||||
| piston | ||||||||||||
| G | d1 | d2 | d3 | B | B1 | displacement | ||||||
| mm | mm (metric sizes) | mm | mm | mm2 (metric sizes) | kg | - | ||||||
| in - threads/in (inch sizes) | in2 (inch sizes) | |||||||||||
| 496,875 | 19.682 in - 5 | 502,92 | 609,6 | 635 | 66,04 | 11,938 | 19,05 | 79,8 | 154 | HMVC100E | - | |
版权所有©2009-2015 轴承狗zcgou.com ICP备案:津ICP备14004550号-13