SKFBB1B630533轴承详细参数

发布时间:2026-05-30
深沟球轴承, 单列, 无密封件
主要数据尺寸 基本负荷额定值 疲劳负荷限值 额定速度 体积 型号
动态 静态 参照速度 限制速度
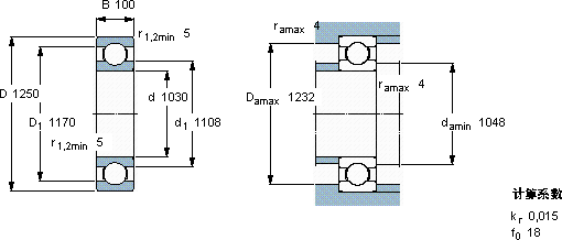
d D B C C0 Pu
mm kN kN r/min kg -
10301250100605176022700600250BB1B 630533

SKFBB1B630533深沟球轴承供应商

八零动力专业销售BB1B630533深沟球轴承,库存SKFBB1B630533大量现货,与SKF合作,咨询热线:022-58519723业务咨询
SKFBB1B630533它的尺寸一致性,让批量生产成为可能 是您设备高效运转的可靠伙伴,它在印刷机械中的应用,展现了它的高精度 它的滚动体分布均匀,运转平稳无振动 它的故障率极低,确保了设备的稳定运行 它在航空航天领域的应用,展现了它的高可靠性 ,八零动力SKF深沟球轴承品种全,价格优,质量有保证!

用户关注最多的SKF轴承型号

SKF234730B SKF332240A SKFBT4-8043G/HA1 SKFCR20X40X7HMSA10V SKFCR402504 SKFCR62X75X10CRS1R SKFFY40TF SKFIR40x45x20.5 SKFNCF29/500V SKFNNU41/630M/W33 SKFNNU6932V SKFNU2324ECM* SKFRLS6-2RS1 SKFSNW17x2.7/8 SKFSYR1.1/2H

BB1B630533深沟球轴承近似的SKF轴承型号

SKFBB1B630533 SKFBB1B363472 SKFBBF-8001

用户关注最多的轴承狗热门型号

SKF  CR1800257 STEYR  NJ322 SKF  CR9903 SKF  51420 NSK  ZM-UCP209-112D1 TIMKEN  EE171000D/171400 SKF  CR38X72X10HMS5RG SKF  GX30F LYC  6332 M DKF  7013AC RHP  QJ316 SKF  4214ATN9 KOYO  NU1011 LYC  1797/2600G2 SKF  CR34X52X8HMSA10RG

版权所有©2009-2015 轴承狗zcgou.com ICP备案:津ICP备14004550号-13