SKF2x7311BECBM*轴承详细参数

发布时间:2026-04-14
角接触球轴承, 单列,用于配对安装, 面对面配对
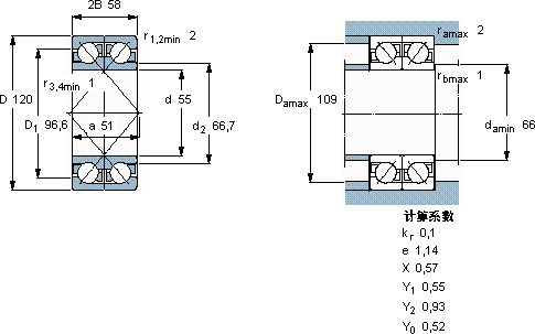
主要数据尺寸 基本负荷额定值 疲劳负荷限值 额定速度 体积 型号 轴承配对
动态 静态 参照速度 限制速度
d D 2B C C0 Pu * - SKF Explorer 轴承
mm kN kN r/min kg --
55120581401205,1560070003,002 × 7311 BECBM *DF

SKF2x7311BECBM*角接触球轴承供应商

八零动力专业销售2x7311BECBM*角接触球轴承,库存SKF2x7311BECBM*大量现货,与SKF合作,咨询热线:022-58519723业务咨询
SKF2x7311BECBM*它的抗冲击能力,让它经久不衰 它的耐腐蚀性,减少了维护成本 它的耐用性,赢得了无数用户的信赖 品质永相随先进的制造技术和严格的质量检测,造就了这款优质轴承这轴承的选材讲究,坚固耐用,寿命远超同类产品,八零动力SKF角接触球轴承品种全,价格优,质量有保证!

用户关注最多的SKF轴承型号

SKF23052-2CS5/VT143* SKF2x7313BECCM* SKF3302A-2RS SKF71916CE/P4A SKF71936C/DF SKFCR14832 SKFCR14X30X7HMSA10V SKFCR25X42X10HMS5V SKFCR27394 SKFHM220149/110/Q SKFNJ2304E+HJ2304E SKFNJ29/710ECMA SKFNU313E SKFPNA12/28 SKFSY1.3/8WF

2x7311BECBM*角接触球轴承近似的SKF轴承型号

SKF7311BECBY SKF2x7311BEGBP* SKF7311B/DT SKF7311BEGBM* SKF2x7311BECBPH* SKF7311BEP SKF2x7311BEGAM* SKF7311BECCM* SKF2x7311BEGAY SKF2x7311BECCM* SKF2x7311BECBJ SKF2x7311BECBP*

用户关注最多的轴承狗热门型号

KOYO  3317 MRC  7303C/DT FAG  SNV280-L + 22326-E1-K + H2326X408 + TSV526X408 STEYR  6413 FAG  H2334-HG INA  PAP2415-P14 MRC  7215C/DB LYC  6212 E-2Z/S3 INA  RASE17 LYC  22220 C/C3W33 KOYO  T4CB100 SKF  NNU4988/W33 IKO  CF20-1UU IKO  IRT1012-1 IKO  MLFG14

版权所有©2009-2015 轴承狗zcgou.com ICP备案:津ICP备14004550号-13