SKF2x7222BEGAF轴承详细参数

发布时间:2026-05-30
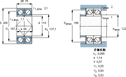
角接触球轴承, 单列,用于配对安装, 面对面配对
主要数据尺寸 基本负荷额定值 疲劳负荷限值 额定速度 体积 型号 轴承配对
动态 静态 参照速度 限制速度
d D 2B C C0 Pu
mm kN kN r/min kg --
110200762512909,8280036009,902 × 7222 BEGAFDF

SKF2x7222BEGAF角接触球轴承供应商

八零动力专业销售2x7222BEGAF角接触球轴承,库存SKF2x7222BEGAF大量现货,与SKF合作,咨询热线:022-58519723业务咨询
SKF2x7222BEGAF它的圆度误差几乎可以忽略不计 高精度低摩擦其质量上乘,是众多机械设备不可或缺的优质配件卓越的性能表现,让这款轴承在市场上脱颖而出设计独特、性能优越的轴承,满足了不同用户的需求品质卓越的它,为机械设备的稳定、高效运行提供了支持,八零动力SKF角接触球轴承品种全,价格优,质量有保证!

用户关注最多的SKF轴承型号

SKF33110/Q SKF6056 SKF7003CD/HCP4A SKF891/710M SKFCR12544 SKFCR160x185x13CRSA1V SKFCR90241 SKFCR95X125X12HMS5RG SKFHA216 SKFNU29/710ECMA/HA1 SKFOKC550 SKFP72R-30TF SKFP85R-40TR SKFPWM556350 SKFSAFC3052KAx9.1/2

2x7222BEGAF角接触球轴承近似的SKF轴承型号

SKF7222BECBM SKF7222BECBP SKF2x7222BECBY SKF2x7222BECBP* SKF7222AC SKF7222BEM SKF7222BEP SKF7222BEP SKF7222C/DB SKF7222C/DF SKF2x7222BECCM SKF2x7222BEGBF

用户关注最多的轴承狗热门型号

SKF  OKCX520 INA  PAP2220-P10 TIMKEN  555-S /552-B SKF  NU1068 NTN  230/1120BK NACHI  SN317FC FAG  BND3156-H-C-Y-BF-S SKF  RNA4917 SNR  7311C FAG  H31/710-HG LYC  24024 CA/C3 BARDEN  71932C SKF  CR20X26X4HM4R BARDEN  7210AC/DB IKO  CF10UURM

版权所有©2009-2015 轴承狗zcgou.com ICP备案:津ICP备14004550号-13