SKF7222BECBP*轴承详细参数

发布时间:2026-05-30
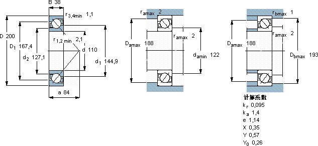
角接触球轴承, 单列
主要数据尺寸 尺寸 [英寸] 疲劳负荷限值 额定速度 体积 型号
动态 静态 参照速度 限制速度
d D B C C0 Pu * - SKF Explorer 轴承
mm kN kN r/min kg -
110200381701664,7400040004,607222 BECBP *

SKF7222BECBP*角接触球轴承供应商

八零动力专业销售7222BECBP*角接触球轴承,库存SKF7222BECBP*大量现货,与SKF合作,咨询热线:022-58519723业务咨询
SKF7222BECBP*它的模块化设计,让安装和更换变得轻松便捷 品质卓越的它,为机械设备的稳定、高效运行提供了支持它的加工精度,确保了机械运转的稳定性 承载未来轴承的精度极高,使得设备的运行误差被控制在极小范围内要设备更出色,八零动力SKF角接触球轴承品种全,价格优,质量有保证!

用户关注最多的SKF轴承型号

SKF22320CCK/W33+H2320 SKF24084CACK30/W33 SKF241/950ECAK30F/W33+AOH241/950 SKF6216-2Z* SKF7034CD/P4A SKFBS2-2206-2CS/VT143* SKFCR50x90x8CRW1R SKFFYT7/8TF/AH SKFICOS-D1B02-TN9* SKFIR45x50x25 SKFNCF1880V SKFNU1080MA SKFNU244ECMA* SKFPCZ1816M SKFPFD35RM

7222BECBP*角接触球轴承近似的SKF轴承型号

SKF7222AC/DF SKF2x7222BECBP* SKF7222B SKF7222BECBP SKF7222BEP SKF7222B/DF SKF7222BECBY SKF7222AC SKF7222BEM SKF7222BECBM SKF7222BECBM SKF7222BECBY

用户关注最多的轴承狗热门型号

INA  PAS15250-P10 RHP  6016N SKF  2x7324BGBM SNR  7332AC/DF SKF  CR30X50X10HMS5RG KOYO  29380 NTN  RNA4852 KOYO  6203NR ZKL  7208B/DB NACHI  NNU4932 SKF  1208ETN9 国产  32913 TIMKEN  180RIT683 SKF  NK21/16 IKO  NAST12ZZUU

版权所有©2009-2015 轴承狗zcgou.com ICP备案:津ICP备14004550号-13