SKF2x7222BEGBF轴承详细参数

发布时间:2026-04-14
角接触球轴承, 单列,用于配对安装, 面对面配对
主要数据尺寸 基本负荷额定值 疲劳负荷限值 额定速度 体积 型号 轴承配对
动态 静态 参照速度 限制速度
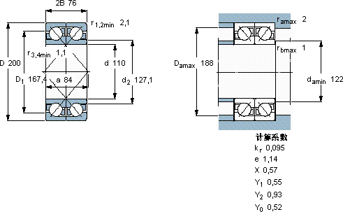
d D 2B C C0 Pu
mm kN kN r/min kg --
110200762512909,8280036009,902 × 7222 BEGBFDF

SKF2x7222BEGBF角接触球轴承供应商

八零动力专业销售2x7222BEGBF角接触球轴承,库存SKF2x7222BEGBF大量现货,与SKF合作,咨询热线:022-58519723业务咨询
SKF2x7222BEGBF您值得拥有轴承的耐用性极佳,为设备的长期稳定运行提供了保障它的密封性能,完美抵御灰尘和杂质的侵袭 它的几何精度,让机械运转分毫不差 它的静音设计,让机械运转如丝般顺滑 是您值得信赖的工业伙伴,为您的机械保驾护航,八零动力SKF角接触球轴承品种全,价格优,质量有保证!

用户关注最多的SKF轴承型号

SKF609-RSH* SKF6408NR SKF7001CD/HCP4A SKF7006C/DT SKFBTM110A/P4CDBB SKFC4030V* SKFCR20012 SKFCR75X110X12HMS5V SKFM86647/610/QCL7C SKFNATV35PPA SKFNU210ECP* SKFNU29/630ECMA SKFRLS8-2RS1 SKFSNW8x1.1/4 SKFW022

2x7222BEGBF角接触球轴承近似的SKF轴承型号

SKF2x7222BECBP* SKF7222BECBP* SKF7222B/DT SKF7222C/DF SKF7222BECBP SKF7222BEM SKF7222BEGAF SKF7222BEP SKF7222B/DB SKF2x7222BECBY SKF2x7222BEGAF SKF2x7224BCBM

用户关注最多的轴承狗热门型号

SKF  LM11749/710/QVC027 MAC  NJ326 NSK  N328W LYC  6205 E-Z/Z1 TIMKEN  70TP131 LYC  22220 C LYC  SF1-444025 FAG  SNV215-L + 1320-K-M-C3 + H320X310 + TCV620X310 SKF  RN-4x29.8BF/G2 NSK  F605DD NSK  22315HKE4 SKF  NU2309ECP LYC  32936 LYC  30613/01 SKF  NUP328E

版权所有©2009-2015 轴承狗zcgou.com ICP备案:津ICP备14004550号-13