SKF7222BECBM轴承详细参数

发布时间:2026-04-14
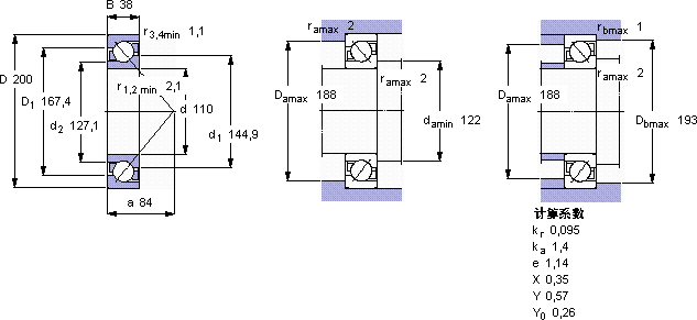
角接触球轴承, 单列
主要数据尺寸 尺寸 [英寸] 疲劳负荷限值 额定速度 体积 型号
动态 静态 参照速度 限制速度
d D B C C0 Pu
mm kN kN r/min kg -
110200381531434,9360038004,957222 BECBM

SKF7222BECBM角接触球轴承供应商

八零动力专业销售7222BECBM角接触球轴承,库存SKF7222BECBM大量现货,与SKF合作,咨询热线:022-58519723业务咨询
SKF7222BECBM其设计和制造都达到了极高的水准,是一款不可多得的轴承质量上乘的轴承,是提升机械设备性能的关键因素承载无限可能,轴承的稳定性和可靠性表现卓越,赢得了广泛赞誉它虽小,却是工业革命的基石 轴承的精度和稳定性都达到了行业顶尖水平,八零动力SKF角接触球轴承品种全,价格优,质量有保证!

用户关注最多的SKF轴承型号

SKF24022CCK30/W33* SKF319181/HB2 SKF3308DMA SKF52212 SKFBS2-2220-2CS5/VT143* SKFBT4B331077BG/HA1 SKFBVNB328362/HA1 SKFCR30X48X8HMSA10RG SKFCR50X85X10HMSA10V SKFCR99251 SKFFSYE2.11/16H-18 SKFH3132L SKFKMFE28 SKFPCM353940B SKFSAF22626x4.5/16

7222BECBM角接触球轴承近似的SKF轴承型号

SKF7222BECBP* SKF7222B/DT SKF7222C/DF SKF2x7222BEGBF SKF7222BECCM SKF7222BECBM SKF7222BEP SKF7222BECBY SKF7222BECBP SKF7222BEM SKF7222CD/P4A SKF7222BECBP*

用户关注最多的轴承狗热门型号

KOYO  NN3072K LYC  E1788/1410G2K1 LYC  23034/C3 FAG  SNV200-L + 222SM100-TVPA + TCV522 SKF  HA313E FYH  UC207 SKF  CR270x310x16HDS1R 国产  1208 INA  G10X14X3 FAG  NJ2220-E-TVP2 FAG  SNV120-L + 21311-E1-K + H311X114 + DHV611X114 LYC  24124 C/C3W33 NACHI  231/530EW33K IKO  TA5525Z IKO  NAU4902

版权所有©2009-2015 轴承狗zcgou.com ICP备案:津ICP备14004550号-13