SKF7222BECCM轴承详细参数

发布时间:2026-05-31
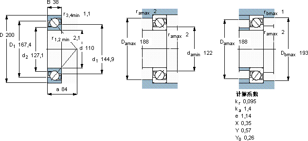
角接触球轴承, 单列
主要数据尺寸 尺寸 [英寸] 疲劳负荷限值 额定速度 体积 型号
动态 静态 参照速度 限制速度
d D B C C0 Pu
mm kN kN r/min kg -
110200381531434,9360038004,957222 BECCM

SKF7222BECCM角接触球轴承供应商

八零动力专业销售7222BECCM角接触球轴承,库存SKF7222BECCM大量现货,与SKF合作,咨询热线:022-58519723业务咨询
SKF7222BECCM精湛的工艺打造出的轴承,精度和稳定性都令人称赞机械的心脏轴承的选材优质,确保了其在各种环境下都能稳定工作它的质量过硬,为机械设备的高效、安全、稳定运行 它的可回收性,减少了废弃物处理成本 优秀的设计理念和精湛的制造工艺,成就了这款杰出的轴承,八零动力SKF角接触球轴承品种全,价格优,质量有保证!

用户关注最多的SKF轴承型号

SKF22252CC/W33 SKF22319EK+H2319* SKF29330 SKF332096 SKF6207/HR11TN SKF6236M SKF7012ACE/HCP4A SKFAS0515 SKFBT4B334126G/HA1VA901 SKFCR12900 SKFCR15141 SKFCR21172 SKFHME30/560 SKFK210x220x42 SKFS71917CD/HCP4A

7222BECCM角接触球轴承近似的SKF轴承型号

SKF7222BEGBF SKF2x7222BECCM SKF2x7222BECBP* SKF7222B/DF SKF7222AC SKF7222B SKF7222BEM SKF7222AC/DB SKF7222C/DT SKF7222BECBP SKF7222BECBY SKF7222BEGAF

用户关注最多的轴承狗热门型号

SKF  7305BECBP SKF  CR1375380 NSK  7206CTYNP5 SKF  SNW144x7.15/16 FAG  SNV140-L + 22313-E1 + DHV313 INA  GE240-FW-2RS LYC  NU 221 EM/YB KOYO  16064 NSK  240/1400CAE4 SKF  7313BECBM SKF  NCF30/500CV TORRINGTON  24030CC/W33 IKO  NBXI1223Z IKO  TR9311850 IKO  CF-RU1-16

版权所有©2009-2015 轴承狗zcgou.com ICP备案:津ICP备14004550号-13