SKF2x7222BECCM轴承详细参数

发布时间:2026-04-15
角接触球轴承, 单列,用于配对安装, 面对面配对
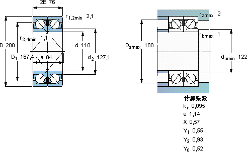
主要数据尺寸 基本负荷额定值 疲劳负荷限值 额定速度 体积 型号 轴承配对
动态 静态 参照速度 限制速度
d D 2B C C0 Pu
mm kN kN r/min kg --
110200762512909,8280038009,902 × 7222 BECCMDF

SKF2x7222BECCM角接触球轴承供应商

八零动力专业销售2x7222BECCM角接触球轴承,库存SKF2x7222BECCM大量现货,与SKF合作,咨询热线:022-58519723业务咨询
SKF2x7222BECCM为您创造更多可能,轴承的稳定性和可靠性表现出色,赢得了用户的高度认可它的抗冲击性能,让它经得起各种考验 它在医疗设备中的应用,确保了设备的稳定性 轴承的耐用性极佳,能够承受高强度的工作负荷它的滚动体与沟槽的配合,堪称完美 ,八零动力SKF角接触球轴承品种全,价格优,质量有保证!

用户关注最多的SKF轴承型号

SKF294/600EM SKF2x7318BECBP* SKF314833B SKFBNTB326247/HB1 SKFCR1325252 SKFCR32X62X10HMSA10RG SKFCR35X47X8HMSA10RG SKFHCRE060R SKFNCF3028CV SKFOKTC285 SKFPCZ0406B SKFPFT1.7/16ARM SKFRNAO45x62x40 SKFQJ1288N2MA SKFSIL8E

2x7222BECCM角接触球轴承近似的SKF轴承型号

SKF7222AC SKF2x7222BECCM SKF7222AC/DF SKF7222B/DT SKF7222BECBY SKF7222B/DB SKF7222BECCM SKF7222C/DT SKF7222BEGBF SKF7222C/DB SKF2x7222BECBY SKF2x7222BEGAF

用户关注最多的轴承狗热门型号

KOYO  7026AC/DT MRC  7207C/DF NSK  7918A5DT FAG  NU1016-M1 SKF  PCM303420B RHP  6006-2Z FYH  UK320+H2320 KOYO  22244CCK/W33+H3144 LYC  381072 NMB  RF-825 FAG  BND2230-H-C-Y-AF-S LYC  1797/2635G2K1 NACHI  6934 INA  XSU140414 INA  PAP9050-P14

版权所有©2009-2015 轴承狗zcgou.com ICP备案:津ICP备14004550号-13