SKF7222BEP轴承详细参数

发布时间:2026-04-15
角接触球轴承, 单列
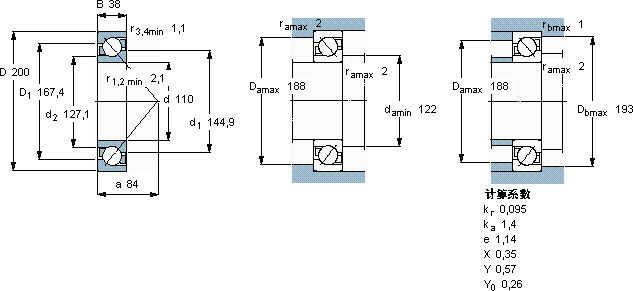
主要数据尺寸 尺寸 [英寸] 疲劳负荷限值 额定速度 体积 型号
动态 静态 参照速度 限制速度
d D B C C0 Pu
mm kN kN r/min kg -
110200381631535,2360036004,607222 BEP

SKF7222BEP角接触球轴承供应商

八零动力专业销售7222BEP角接触球轴承,库存SKF7222BEP大量现货,与SKF合作,咨询热线:022-58519723业务咨询
SKF7222BEP它的稳定性,让它在各种环境下都能可靠工作 轴承的性能可靠,为机械设备的稳定运行立下汗马功劳轴承的选材精良,确保了其具有良好的耐磨性和抗腐蚀性为您创造更多可能,铸就卓越品质,它的滚动体与沟槽的配合,堪称完美 ,八零动力SKF角接触球轴承品种全,价格优,质量有保证!

用户关注最多的SKF轴承型号

SKF108 SKF294/750EF SKF2x7320BECBM* SKF30222 SKF51184 SKF5306E-2RS1 SKF7205C/DT SKFCR60075 SKFCR70x90x10CRSA1R SKFCR90X115X12HMS5RG SKFNA4906RS SKFNN3056/SPW33 SKFPNA15/32 SKFS7020CD/HCP4A SKFS71907CD/P4A

7222BEP角接触球轴承近似的SKF轴承型号

SKF7222AC/DT SKF7222BECBP* SKF7222BEM SKF7222BECBP SKF7222B/DF SKF7222AC SKF2x7222BECBM SKF7222BEM SKF7222BECBM SKF7222C/DF SKF7222BEM SKF7224AC

用户关注最多的轴承狗热门型号

NSK  7011CTYNSULP4 SKF  NUP309ECJ* MRC  NF205 NSK  54217 NSK  51426X FYH  UCFC215 ZKL  NJ234 SKF  NJ212ECP SKF  CR1950560 NSK  7011ADT SKF  SAF22313 SKF  SC7006DB/P7 INA  RCJT65-214 NACHI  NU1010 IKO  IRB4020

版权所有©2009-2015 轴承狗zcgou.com ICP备案:津ICP备14004550号-13