SKF7222BEGBF轴承详细参数

发布时间:2026-04-14
角接触球轴承, 单列
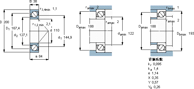
主要数据尺寸 尺寸 [英寸] 疲劳负荷限值 额定速度 体积 型号
动态 静态 参照速度 限制速度
d D B C C0 Pu
mm kN kN r/min kg -
110200381531434,9360036004,957222 BEGBF

SKF7222BEGBF角接触球轴承供应商

八零动力专业销售7222BEGBF角接触球轴承,库存SKF7222BEGBF大量现货,与SKF合作,咨询热线:022-58519723业务咨询
SKF7222BEGBF它在船舶工业中的应用,展现了它的耐腐蚀性 它在机器人领域的应用,展现了它的高精密性 卓越的性能和可靠的质量,让这款轴承成为市场的宠儿高品质的轴承,在复杂工况下也能展现出卓越的性能它的质量可靠,是众多机械设备制造商的首选配件持久转动,八零动力SKF角接触球轴承品种全,价格优,质量有保证!

用户关注最多的SKF轴承型号

SKF1412M SKF6205/HR11TN SKF71936CD/P4A SKF7236AC SKF81292 SKFCR31177 SKFCR3719 SKFCR50x72x8CRW1R SKFE2.6203-2Z/C3 SKFFY1.1/2FM SKFHE311BE SKFNJ2217ECP SKFNNCF4836CV SKFW63800-2ZR SKFYAR211-200-2F/AH

7222BEGBF角接触球轴承近似的SKF轴承型号

SKF7222BEP SKF7222BECBY SKF7222B/DT SKF7222C/DB SKF7222C/DT SKF7222BECBY SKF2x7222BEGBF SKF7222B/DB SKF2x7222BECBP* SKF7222AC/DF SKF7222BEGAF SKF7222BEM

用户关注最多的轴承狗热门型号

LYC  3519/670/C2 SKF  BBFB304256 SKF  BC4B322066 MRC  6202-ZN NACHI  51318 LYC  6204 E/C4 SKF  22312E/W64* FAG  BND3048-H-W-T-BL-S SKF  22230CCK/W33+H3130 DKF  7015AC/DF FAG  SNV190-L + 21318-E1-K + H318 + TSV518 SKF  NU205ECP LYC  51184/P5 IKO  NAS5084ZZ IKO  WS6095

版权所有©2009-2015 轴承狗zcgou.com ICP备案:津ICP备14004550号-13