SKF240/900ECAK30/W33轴承详细参数

发布时间:2026-05-29
球面滚子轴承, 圆柱和圆锥孔, 圆锥型内孔, 无密封件
主要数据尺寸 基本负荷额定值 疲劳负荷限值 额定速度 体积 型号
动态 静态 参照速度 限制速度
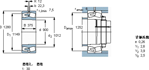
d D B C C0 Pu
mm kN kN r/min kg -
9001280375136003450020401903401545240/900 ECAK30/W33

SKF240/900ECAK30/W33球面滚子轴承供应商

八零动力专业销售240/900ECAK30/W33球面滚子轴承,库存SKF240/900ECAK30/W33大量现货,与SKF合作,咨询热线:022-58519723业务咨询
SKF240/900ECAK30/W33轴承的稳定性和可靠性都十分出色,赢得了用户的信赖稳定持久让工作更高效,精湛的工艺打造出的轴承,精度和稳定性都令人称赞质量无可比拟的轴承,在行业内树立了良好的品质标杆性能卓越的它,为机械设备的稳定运行提供了可靠保障,八零动力SKF球面滚子轴承品种全,价格优,质量有保证!

用户关注最多的SKF轴承型号

SKF22309CC/W33 SKF24176ECAK30/W33* SKF29440 SKF302/28J2 SKF54207U SKF81180M SKFAN21 SKFBT1-8010/HA4 SKFCR15X35X7HMSA10RG SKFCR16091 SKFCR1725255 SKFCR5200558 SKFFYRP3.7/16-3 SKFSAF22526x4.3/8 SKFSYNT75FTS

240/900ECAK30/W33球面滚子轴承近似的SKF轴承型号

SKF24024CCK30/W33* SKF24026CCK30/W33+AH24026* SKF240/1120CAK30F/W33 SKF24038CC/W33* SKF24056CC/W33* SKF24026CC/W33* SKF24072CC/W33* SKF240/560ECA/W33* SKF24030CC/W33* SKF24024CC/W33* SKF240/900ECAK30/W33+AOH240/900 SKF240/900ECA/W33

用户关注最多的轴承狗热门型号

NSK  7308BWG TIMKEN  340RF30 MRC  7317AC/DF NSK  6916ZZ SKF  CR400650 TORRINGTON FAFNIR  6003N SKF  CR300x345x22HDS1R INA  KN50-B-PP SKF  IR10x14x12IS1 TIMKEN  HH221440/HH221410 TORRINGTON FAFNIR  7030C BARDEN  7014C SKF  N1018KTNHA/HC5SP NTN  UKFU217+H2317 SKF  S7020CD/P4A

版权所有©2009-2015 轴承狗zcgou.com ICP备案:津ICP备14004550号-13