SKF23240-2CS2/VT143*轴承详细参数

发布时间:2026-04-14
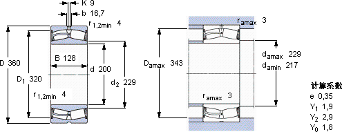
球面滚子轴承, 圆柱和圆锥孔, 圆柱型内孔, 两面密封件, 氟橡胶
主要数据尺寸 基本负荷额定值 疲劳负荷限值 额定速度 体积 型号
动态 静态 参照速度 限制速度
d D B C C0 Pu * - SKF Explorer 轴承
mm kN kN r/min kg -
20036012818602700228-43058,023240-2CS2/VT143 *

SKF23240-2CS2/VT143*球面滚子轴承供应商

八零动力专业销售23240-2CS2/VT143*球面滚子轴承,库存SKF23240-2CS2/VT143*大量现货,与SKF合作,咨询热线:022-58519723业务咨询
SKF23240-2CS2/VT143*为您的设备保驾护航,让机械运转无忧它的静音设计,让机械运转如丝般顺滑 它在包装机械中的应用,确保了设备的高效率 质量上乘的轴承,是提升机械设备性能的关键因素轴承的选材优质,确保了其在各种环境下都能稳定工作它的轴向跳动控制,确保了机械的平稳运行 ,八零动力SKF球面滚子轴承品种全,价格优,质量有保证!

用户关注最多的SKF轴承型号

SKF231/850CAK/W33+AOH31/850 SKF24188ECA/W33* SKF2x718/530AGMB SKF32006X/Q SKF619/1120MB SKF634011A SKF7044AC SKFBEAM025075-2RS/PE SKFCR11710 SKFCR12335 SKFCR13649 SKFCR410x460x22HDS2R SKFIR22x28x20.5 SKFNJ2318ECML* SKFSAL30ES

23240-2CS2/VT143*球面滚子轴承近似的SKF轴承型号

SKF23240CCK/W33+H2340* SKF23240-2CS5K/VT143* SKF23240CC/W33* SKF23240-2CS5/VT143* SKF23240CCK/W33* SKF23240CCK/W33+AH3240* SKF23240-2CS2/VT143* SKF23238CC/W33* SKF23240-2CS5K/VT143*

用户关注最多的轴承狗热门型号

NACHI  7338B NACHI  24168EW33K30 FAG  SNV250-L + 20228-K-MB-C3 + H3028X415 + DH528 INA  RMWE9A-RB/79x../14 INA  IR10X14X13 SKF  FNL510B FAG  SD3180-H-TS-AF-L + 231SM380-MA NSK  7321ADF LYC  NN 4964 K/P4W33 ZKL  NJ307 RIV  N2222 MRC  NU420 SKF  NA4904 SKF  608 MRC  7311B/DF

版权所有©2009-2015 轴承狗zcgou.com ICP备案:津ICP备14004550号-13