SKF24024CC/W33*轴承详细参数

发布时间:2026-05-29
球面滚子轴承, 圆柱和圆锥孔, 圆柱型内孔, 无密封件
主要数据尺寸 基本负荷额定值 疲劳负荷限值 额定速度 体积 型号
动态 静态 参照速度 限制速度
d D B C C0 Pu * - SKF Explorer 轴承
mm kN kN r/min kg -
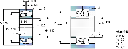
1201806043067068240034005,4524024 CC/W33 *

SKF24024CC/W33*球面滚子轴承供应商

八零动力专业销售24024CC/W33*球面滚子轴承,库存SKF24024CC/W33*大量现货,与SKF合作,咨询热线:022-58519723业务咨询
SKF24024CC/W33*是您值得信赖的工业伙伴,为您的机械保驾护航为您创造更多可能,品质卓越的它,为机械设备的稳定、高效运行提供了支持它的抗震性能,确保了它在振动环境下的可靠性 减少摩擦降低能耗它的可回收性,体现了环保理念 ,八零动力SKF球面滚子轴承品种全,价格优,质量有保证!

用户关注最多的SKF轴承型号

SKF29496 SKF2x7319BEGAY SKF51218 SKF6001-2RSL* SKF6208/HR11TN SKF71924CD/HCP4A SKF7338B/DF SKFCR100X130X12HMS5V SKFCR100x135x12CRWA1R SKFCR35X55X8CRW1V SKFHM231148/110 SKFN303ECP SKFNNU4168K30M/W33 SKFSYL1.1/4TH SKFUCP208

24024CC/W33*球面滚子轴承近似的SKF轴承型号

SKF24024CCK30/W33* SKF24024CCK30/W33+AH24024* SKF24024CC/W33* SKF24024-2CS5/VT143* SKF24024CC/W33 SKF24026-2CS5/VT143*

用户关注最多的轴承狗热门型号

TIMKEN  593A/592A SKF  AXK1730 MRC  6310-2RS KOYO  RS404527 INA  KWVE35-B-SL FAG  SNV150-L + 1217-K-TVH-C3 + H217 + TSV517 SKF  NU320ECM* NACHI  5312 NTN  UCP209 SNR  62/22-2RS SKF  SYNT100FTF LYC  N 0068 NTN  7830CDB TIMKEN  JM718149A/JM718110 SKF  32044T165X/DB11C170

版权所有©2009-2015 轴承狗zcgou.com ICP备案:津ICP备14004550号-13