SKF240/1120CAF/W33轴承详细参数

发布时间:2026-05-30
球面滚子轴承, 圆柱和圆锥孔, 圆柱型内孔, 无密封件
主要数据尺寸 基本负荷额定值 疲劳负荷限值 额定速度 体积 型号
动态 静态 参照速度 限制速度
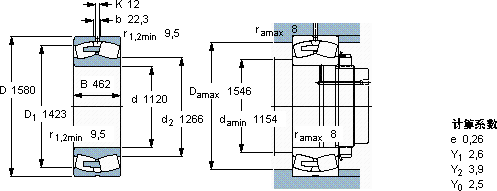
d D B C C0 Pu
mm kN kN r/min kg -
11201580462187005000028501302402925240/1120 CAF/W33

SKF240/1120CAF/W33球面滚子轴承供应商

八零动力专业销售240/1120CAF/W33球面滚子轴承,库存SKF240/1120CAF/W33大量现货,与SKF合作,咨询热线:022-58519723业务咨询
SKF240/1120CAF/W33它的长寿命,减少了更换频率 该轴承的性能优越,极大地提高了设备的工作效率卓越的性能表现,使这款轴承在市场上拥有良好的口碑这款轴承的稳定性极佳,在长时间运行中也能保持良好状态减少摩擦降低能耗它的可回收性,体现了环保理念 ,八零动力SKF球面滚子轴承品种全,价格优,质量有保证!

用户关注最多的SKF轴承型号

SKF22215CCK/W33 SKF23052-2CS5/VT143* SKF6004/HR11TN SKF62213-2RS1 SKF7215AC/DT SKFCR390x430x19.05HS8V SKFCR45X68X7HMS5RG SKFCR86631 SKFCR99812 SKFGS81230 SKFHK1214.2RS SKFK-T921 SKFNNU4952/W33 SKFSAFC2534 SKFSDAF230/530KAx19.1/2

240/1120CAF/W33球面滚子轴承近似的SKF轴承型号

SKF24036-2CS5/VT143* SKF24084ECA/W33* SKF240/530ECAK30/W33+AOH240/530G* SKF24034CC/W33* SKF22240CC/W33* SKF24056CCK30/W33+AOH24056G* SKF24032CCK30/W33+AH24032* SKF24032CCK30/W33* SKF240/1000CAF/W33 SKF24036CCK30/W33* SKF240/1060CAK30F/W33 SKF240/1120CAK30F/W33

用户关注最多的轴承狗热门型号

NTN  7013C INA  NKX17-Z LYC  7304 C KOYO  23222CC/W33 KOYO  7015AC/DB SKF  CR526021 NACHI  NJ422 LYC  6006 E/P6Z1 NTN  3219 SKF  N322ECM* TIMKEN  530RT30 FAG  BND2248-H-W-Y-AF-S SKF  2x7221BECBP* IKO  BRI183020 IKO  SB203216

版权所有©2009-2015 轴承狗zcgou.com ICP备案:津ICP备14004550号-13