SKF240/1000CAF/W33轴承详细参数

发布时间:2026-04-15
球面滚子轴承, 圆柱和圆锥孔, 圆柱型内孔, 无密封件
主要数据尺寸 基本负荷额定值 疲劳负荷限值 额定速度 体积 型号
动态 静态 参照速度 限制速度
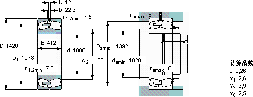
d D B C C0 Pu
mm kN kN r/min kg -
10001420412154004050022401602802140240/1000 CAF/W33

SKF240/1000CAF/W33球面滚子轴承供应商

八零动力专业销售240/1000CAF/W33球面滚子轴承,库存SKF240/1000CAF/W33大量现货,与SKF合作,咨询热线:022-58519723业务咨询
SKF240/1000CAF/W33它的长寿命,减少了资源浪费 轴承的耐用性超乎想象,有效降低了设备的维护成本设计合理、性能优良的它,是机械设备实现高效运行的重要保障不得不说,这款轴承的品质过硬,在行业内堪称典范,先进的制造工艺,让这款轴承的性能更加稳定可靠它的几何精度,让机械运转分毫不差 ,八零动力SKF球面滚子轴承品种全,价格优,质量有保证!

用户关注最多的SKF轴承型号

SKF23288CAC/W33 SKF22336CCK/W33+AH2336G* SKF81140 SKFBDAB307785 SKFBT4B328921G/HA1VA901 SKFCR1600250 SKFCR16094 SKFCR23152 SKFCR38730 SKFCR7469 SKFNNU4976BK/SPW33 SKFNU2984MA SKFPCMW386201.5B SKFSNW9x1.7/16 SKFT2ED055/QCLN

240/1000CAF/W33球面滚子轴承近似的SKF轴承型号

SKF24032CCK30/W33* SKF23240CCK/W33+H2340* SKF24034CCK30/W33* SKF24038CC/W33* SKF24030CCK30/W33+AH24030* SKF24072CC/W33* SKF240/560ECAK30/W33+AOH240/560G* SKF240/1120CAF/W33 SKF22240CCK/W33+H3140* SKF240/950CAF/W33 SKF240/1000CAK30F/W33+AOH240/1000 SKF240/1000CAK30F/W33

用户关注最多的轴承狗热门型号

SKF  NK55/35 SKF  FYRP2.3/16 SKF  CR594648 KOYO  4TR711 国产  AXK6590 FAG  LOE320-N-AF-L MRC  7021C/DB KOYO  22210RHRK+H310X BARDEN  7020AC SNR  7034AC/DF INA  GIKL8-PB FAG  NJ328-E-TVP2 SKF  51206 IKO  KT182412 IKO  CFE18UU

版权所有©2009-2015 轴承狗zcgou.com ICP备案:津ICP备14004550号-13