SKF240/900ECA/W33轴承详细参数

发布时间:2026-04-15
球面滚子轴承, 圆柱和圆锥孔, 圆柱型内孔, 无密封件
主要数据尺寸 基本负荷额定值 疲劳负荷限值 额定速度 体积 型号
动态 静态 参照速度 限制速度
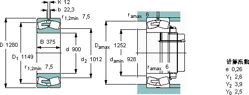
d D B C C0 Pu
mm kN kN r/min kg -
9001280375136003450020401903401570240/900 ECA/W33

SKF240/900ECA/W33球面滚子轴承供应商

八零动力专业销售240/900ECA/W33球面滚子轴承,库存SKF240/900ECA/W33大量现货,与SKF合作,咨询热线:022-58519723业务咨询
SKF240/900ECA/W33先进的生产工艺,打造出了这款性能卓越的轴承是机械世界的璀璨明星,轴承的精度和稳定性都达到了行业顶尖水平成就非凡转动体验让您的设备一顺到底,它的沟槽设计,完美匹配滚动体的运动轨迹 它的加工设备,代表了世界领先水平 ,八零动力SKF球面滚子轴承品种全,价格优,质量有保证!

用户关注最多的SKF轴承型号

SKF1311K SKF29412E* SKF4216ATN9 SKF6215N* SKFCR18737 SKFCR25X42X6HMS5RG SKFCR32X47X7HMSA10RG SKFCR42x72x8CRW1V SKFGE260ES SKFH3136L SKFNJ206E+HJ206E SKFNNU4060KM/W33 SKFNU2/600ECMA/HB1 SKFSAF22530x5.1/4 SKFSNW109x1.7/16

240/900ECA/W33球面滚子轴承近似的SKF轴承型号

SKF24060CCK30/W33+AOH24060G* SKF24026CCK30/W33+AH24026* SKF24034CC/W33* SKF240/600ECAF/W33* SKF24056CCK30/W33+AOH24056G* SKF24076CCK30/W33+AOH24076* SKF23240-2CS2/VT143* SKF240/560ECA/W33* SKF240/950CAF/W33 SKF23240CCK/W33+H2340* SKF240/900ECAK30/W33 SKF240/950CAK30F/W33+AOH240/950

用户关注最多的轴承狗热门型号

FAG  BND3238-H-C-T-AL-S FAG  SNV180-L + 2317-K-M-C3 + H2317X215 + TCV617 国产  NA4920A 国产  7280C KOYO  54208 MRC  7311C LYC  6208 C3 FYH  UKFLU311+H2311 NSK  RLM172520-1 LYC  752732QTK1/02 KOYO  TRA0607R MRC  6317-Z INA  ZKLN5090-2RS-2AP FAG  B71903-C-2RSD-T-P4S SKF  CR1000x1050x23HDS2R2

版权所有©2009-2015 轴承狗zcgou.com ICP备案:津ICP备14004550号-13