SKF240/750ECA/W33*轴承详细参数

发布时间:2026-05-30
球面滚子轴承, 圆柱和圆锥孔, 圆柱型内孔, 无密封件
主要数据尺寸 基本负荷额定值 疲劳负荷限值 额定速度 体积 型号
动态 静态 参照速度 限制速度
d D B C C0 Pu * - SKF Explorer 轴承
mm kN kN r/min kg -
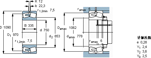
7501090335118002500014602604301065240/750 ECA/W33 *

SKF240/750ECA/W33*球面滚子轴承供应商

八零动力专业销售240/750ECA/W33*球面滚子轴承,库存SKF240/750ECA/W33*大量现货,与SKF合作,咨询热线:022-58519723业务咨询
SKF240/750ECA/W33*开启顺畅运行新时代,轴承的耐用性出色,能够长时间保持良好的工作状态这轴承的选材讲究,坚固耐用,寿命远超同类产品它的设计巧妙,在保证性能的同时,还兼顾了安装的便捷性先进的生产工艺,打造出了这款性能卓越的轴承它的抗氧化性能,延长了它的使用寿命 ,八零动力SKF球面滚子轴承品种全,价格优,质量有保证!

用户关注最多的SKF轴承型号

SKF23226-2CS5K/VT143* SKF23268CACK/W33 SKF315913 SKF71876ACGAMB SKFCR16084 SKFCR26X42X7HMS5V SKFCR29208 SKFCR35X45X7HMSA10RG SKFCR99286 SKFN1016KPHA/HC5SP SKFNUP312ECP* SKFPCM161820B SKFPCM30030550M SKFPCMF060808E SKFSNW3024x4.3/16

240/750ECA/W33*球面滚子轴承近似的SKF轴承型号

SKF240/710ECAK30/W33* SKF240/750ECAK30/W33+AOH240/750G* SKF240/850ECAK30/W33 SKF24072CCK30/W33+AOH24072* SKF240/530ECA/W33* SKF24072CC/W33* SKF24092ECA/W33* SKF24044CC/W33* SKF240/1120CAF/W33 SKF240/670ECA/W33* SKF240/750ECAK30/W33* SKF240/800ECAK30/W33+AOH240/800G*

用户关注最多的轴承狗热门型号

SKF  CR522856 KOYO  RS364221-K SKF  N1016KTNHA/HC5SP NSK  150BNR19H NTN  24128CC/W33 BARDEN  71904C/DF SKF  SDAFS22222 MRC  7204C/DT LYC  FCD 6496350 /02 NACHI  30228 INA  NKIA5913 LYC  1797/3230G2K4/04 LYC  2007138 FAG  SNV200-L + 23222-E1-K-TVPB + H2322X400 + DH522 LYC  NU 18/1250

版权所有©2009-2015 轴承狗zcgou.com ICP备案:津ICP备14004550号-13