SKFW00轴承详细参数

发布时间:2026-05-30
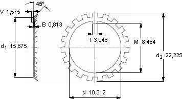
W锁紧垫圈, 英制尺寸
尺寸 体积 型号
锁紧垫圈 适宜的锁定螺母
d d2 B
mm kg -
10,31222,2250,8130,002W 00N 00

SKFW00轴承附件供应商

八零动力专业销售W00轴承附件,库存SKFW00大量现货,与SKF合作,咨询热线:022-58519723业务咨询
SKFW00为您的工程保驾护航,它的精密制造工艺,让人叹为观止 承载重托它的可靠性,赢得了无数工程师的信任 这轴承的稳定性极佳,在高速运转时也能保持良好状态它在纺织机械中的应用,确保了设备的高速运转 ,八零动力SKF轴承附件品种全,价格优,质量有保证!

用户关注最多的SKF轴承型号

SKF22320EJA/VA406* SKF239/1060CAF/W33 SKF302/28J2 SKF30309J2/Q SKF6018-2Z* SKF71972BM SKF7308BECBP* SKFAHX3030 SKFE2.6302-2Z/C3 SKFFY1/2TF/AH SKFLM772748/710/HAI SKFN064 SKFNNC4938CV SKFNUP2211ECP SKFPDNB307

W00轴承附件近似的SKF轴承型号

SKFN500 SKFMS31/600-560 SKFPL600 SKFM100x2 SKFMS31/500 SKFOH39/500H SKFHME30/500 SKFHMV100E SKFW00 SKFMS30/900-850 SKFVJ-PDRJ324 SKFW01

用户关注最多的轴承狗热门型号

SKF  1209EKTN9 NACHI  NF206 LYC  NNF 5026 ADA-2LV SKF  N211E 国产  6001E SKF  CR15736 SKF  FY2.11/16TF/AH LYC  5397/2839 NACHI  N230 STEYR  7204B/DB KOYO  23938RK+AH3938 TIMKEN  T128 MAC  NUP319 LYC  22344/C2 IKO  CF10-1VBUURM

版权所有©2009-2015 轴承狗zcgou.com ICP备案:津ICP备14004550号-13