SKFW01轴承详细参数

发布时间:2026-04-14
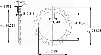
W锁紧垫圈, 英制尺寸
尺寸 体积 型号
锁紧垫圈 适宜的锁定螺母
d d2 B
mm kg -
12,29425,8060,8130,002W 01N 01

SKFW01轴承附件供应商

八零动力专业销售W01轴承附件,库存SKFW01大量现货,与SKF合作,咨询热线:022-58519723业务咨询
SKFW01它的低噪音设计,减少了对环境的噪音污染 高精度的制造工艺,造就了这款高品质的轴承它的品质卓越,为机械设备的高效、稳定运行保驾护航它的精密测量技术,确保了每一件产品的品质 这款轴承的运转十分平稳,几乎感受不到任何震动它的抗磨损涂层,让它更加耐用 ,八零动力SKF轴承附件品种全,价格优,质量有保证!

用户关注最多的SKF轴承型号

SKF23944CCK/W33+OH3944H SKF52218 SKF6201-2ZN SKF7015DB/P7 SKFAN32 SKFCR13529 SKFCR35082 SKFCR60X90X10HMS5V SKFGEC560TXA-2RS SKFICOS-D1B06-TN9* SKFNNCF4932CV SKFNU1026ML SKFPCM081008E SKFSY1.3/4TF/VA228 SKFYAR207-2RF/VE495

W01轴承附件近似的SKF轴承型号

SKFW01 SKFN01 SKFW00 SKFW02

用户关注最多的轴承狗热门型号

SKF  NA4907 FLT  NU2205 KOYO  NJ2338 NTN  NUP217 MRC  7311B/DF LYC  63/28 E-RS/C3Z1 NTN  7216B LYC  NU 316 EM/C3Z1 国产  30213 TIMKEN  45285A/45220 INA  CSXA040 INA  K40X45X13 STEYR  53238 TIMKEN  37P IKO  RNAF152313

版权所有©2009-2015 轴承狗zcgou.com ICP备案:津ICP备14004550号-13