SKFPL500轴承详细参数

发布时间:2026-04-29
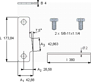
P锁紧片夹, 英制尺寸
尺寸 体积 型号
锁定板 适宜的锁定螺母
L A1 B
mm kg -
173,8442,8840,33PL 500N 500

SKFPL500轴承附件供应商

八零动力专业销售PL500轴承附件,库存SKFPL500大量现货,与SKF合作,咨询热线:022-58519723业务咨询
SKFPL500制造工艺先进,使得这款轴承的性能远超普通产品它在汽车工业中的应用,让车辆运行更加平稳 其设计和制造工艺都达到了国际先进水平,是一款优质轴承它的密封性能,减少了润滑剂的泄漏 先进的生产工艺,让这款轴承的性能得到了极大提升轴承的性能可靠,为机械设备的稳定运行立下汗马功劳,八零动力SKF轴承附件品种全,价格优,质量有保证!

用户关注最多的SKF轴承型号

SKF30304J2/Q SKF6205-ZN SKFCR13419 SKFCR40X70X12CRSH11R SKFCR8485 SKFCR87X110X13CRSH13R SKFCR97545 SKFFSYE3NH-118 SKFKMK11 SKFN630 SKFNNU4924/W33 SKFOKF630 SKFS71922CD/HCP4A SKFSNL3188F SKFW6210-2Z

PL500轴承附件近似的SKF轴承型号

SKFAOHX31/500G SKFOH39/500HE SKFHM30/500 SKFOH30/500H SKFAOH241/500 SKFSNP30/500x18.1/2 SKFHM31/500 SKFMS30/500-96 SKFAOHX30/500G SKFPL500 SKFPL48 SKFPL52

用户关注最多的轴承狗热门型号

KOYO  T7FC065 LYC  NU 205 SKF  CR99775 INA  GS81105 RHP  635-2Z NTN  NU308 INA  PAP1612-P20 KOYO  4TR540 RHP  6301-2Z SKF  W6006 FAG  SNV180-L + 22220-E1 + DHV220 SKF  CR403502 NTN  23952 IKO  TAF688235 IKO  LME162636F

版权所有©2009-2015 轴承狗zcgou.com ICP备案:津ICP备14004550号-13