SKFSILKAC8M轴承详细参数

发布时间:2026-04-15
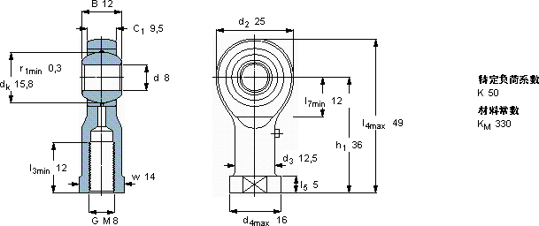
需要维护的杆端, 钢对青铜,阴螺纹
主要数据尺寸 角度倾的 基本负荷额定值 质量 型号
动态 静态 轴承座完全与
d d2 B d3 C1 h1± C C0
6H
mm 度数 kN kg -
82512M 89,536137,29,150,047SILKAC 8 M

SKFSILKAC8M需维护的杆端关节轴承供应商

八零动力专业销售SILKAC8M需维护的杆端关节轴承,库存SKFSILKAC8M大量现货,与SKF合作,咨询热线:022-58519723业务咨询
SKFSILKAC8M优秀的设计理念和精湛的制造工艺,成就了这款优秀的轴承它的低噪音设计,减少了对环境的噪音污染 零误差起步它的稳定性,让它在各种环境下都能可靠工作 持久转动它的设计巧妙,在保证性能的同时,还兼顾了安装的便捷性,八零动力SKF需维护的杆端关节轴承品种全,价格优,质量有保证!

用户关注最多的SKF轴承型号

SKF1212K SKF22334CCKJA/W33VA405* SKF22338CCKJA/W33VA405* SKF23222-2CS5K/VT143* SKF7326BM SKFC2234K+H3134L* SKFCR78738 SKFFYJ25KF SKFHA3036x6.3/16 SKFNJ2988ECM/HB1 SKFNN3052K/SPW33 SKFSAW23538X6.13/16 SKFSDAF22526 SKFTU40FM SKFYQC208-102CW

SILKAC8M需维护的杆端关节轴承近似的SKF轴承型号

SKFSAKAC10M SKFSCF45ES SKFSAL8E SKFSAL60ES-2RS SKFSIKAC20M SKFSALKAC8M SKFSIJ25ES SKFSIL12E SKFSIL45ES-2RS SKFSA45ES-2RS SKFSILKAC6M SKFSILKB10F

用户关注最多的轴承狗热门型号

SKF  7024AC/DB KOYO  30215CR SKF  SNP3072x13.7/16 SKF  NKI20/20 SKF  6209NR* TIMKEN  28980/28921-B SKF  CR34X52X10CRS1R 国产  6221-2Z/Z3 SKF  PDNB220 国产  608-2Z NTN  7824CDB SNR  7315AC/DT ZKL  32217 NSK  7020CTY MRC  7208B/DF

版权所有©2009-2015 轴承狗zcgou.com ICP备案:津ICP备14004550号-13