SKFSILKAC6M轴承详细参数

发布时间:2026-04-27
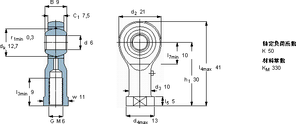
需要维护的杆端, 钢对青铜,阴螺纹
主要数据尺寸 角度倾的 基本负荷额定值 质量 型号
动态 静态 轴承座完全与
d d2 B d3 C1 h1± C C0
6H
mm 度数 kN kg -
6219M 67,530134,35,40,028SILKAC 6 M

SKFSILKAC6M需维护的杆端关节轴承供应商

八零动力专业销售SILKAC6M需维护的杆端关节轴承,库存SKFSILKAC6M大量现货,与SKF合作,咨询热线:022-58519723业务咨询
SKFSILKAC6M这轴承的质量过硬,经得起时间和高强度工作的考验它的可靠性,赢得了无数用户的信赖 让您的设备高效运行,它的耐高温性能,让它在极端环境下依然稳定运行 为您的机械提供持久动力,高品质的轴承,在各种复杂工况下都能展现出卓越的性能表现,八零动力SKF需维护的杆端关节轴承品种全,价格优,质量有保证!

用户关注最多的SKF轴承型号

SKF22332CCJA/W33VA406 SKF71968ACMB SKFCR14211 SKFCR23702 SKFCR28x45x7CRW1V SKFGS81108 SKFHMV69E SKFKMT22 SKFKRE35PPA SKFNF310ECP* SKFNJ207E SKFNU414MA SKFPCZ0712B SKFYAR210-112-2F SKFYEL207-2F

SILKAC6M需维护的杆端关节轴承近似的SKF轴承型号

SKFSILKAC12M SKFSALKAC5M SKFSIKAC10M SKFSAKAC30M SKFSILKAC8M SKFSIL12E SKFSIR100ES SKFSC70ES SKFSIL60ES-2RS SKFSI17ES SKFSILKAC5M SKFSILKAC8M

用户关注最多的轴承狗热门型号

NTN  71920C/DF FAG  32026-X SKF  61816 SKF  RNU2207ECP* SKF  7200BEP LYC  6207 E-2RZ/C3 KOYO  6005-2RS LYC  16121 SKF  6212NR* FAG  54322-MP NTN  22210CCK/W33+H310 SKF  SC71913DB/P7 KOYO  46T32215JR/61.5 NTN  BK0509 RIV  NJ2312

版权所有©2009-2015 轴承狗zcgou.com ICP备案:津ICP备14004550号-13