SKFSILKAC16M轴承详细参数

发布时间:2026-05-30
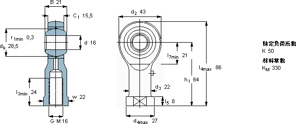
需要维护的杆端, 钢对青铜,阴螺纹
主要数据尺寸 角度倾的 基本负荷额定值 质量 型号
动态 静态 轴承座完全与
d d2 B d3 C1 h1± C C0
6H
mm 度数 kN kg -
164321M 1615,5641521,6290,23SILKAC 16 M

SKFSILKAC16M需维护的杆端关节轴承供应商

八零动力专业销售SILKAC16M需维护的杆端关节轴承,库存SKFSILKAC16M大量现货,与SKF合作,咨询热线:022-58519723业务咨询
SKFSILKAC16M它的设计巧妙,在保证性能的同时,还兼顾了安装的便捷性它的多样化应用,展现了它的无限可能 它在轨道交通中的应用,确保了列车的安全运行 就是选择高效与可靠设计独特、性能优越的轴承,满足了不同用户的需求给您意想不到的顺畅体验,,八零动力SKF需维护的杆端关节轴承品种全,价格优,质量有保证!

用户关注最多的SKF轴承型号

SKF16100/HR22T2 SKF25877/2/25821/2/Q SKF32303J2/Q SKF618/1060MA SKF6215/C3VL0241 SKF6230 SKF71917ACE/P4A SKFCR11736 SKFCR19922 SKFCR90X115X12HMS5RG SKFHK4016 SKFNA4902 SKFNNU4926BK/SPW33 SKFNU2319ECKJ* SKFYSA212-2FK

SILKAC16M需维护的杆端关节轴承近似的SKF轴承型号

SKFSALKAC16M SKFSIQG160ES SKFSIJ16ES SKFSIKAC16M/VZ019 SKFSAKAC16M SKFSIKAC16M SKFSIQG16ES SKFSILKAC16M SKFSILKAC14M SKFSILKAC18M

用户关注最多的轴承狗热门型号

SKF  S71917ACD/P4A 国产  LBE30-OPA SKF  SYE3.-3 STEYR  NUP2211 TIMKEN  MS31/500 INA  PSHEY12 NTN  NF319 RHP  6307 FAG  SNV160-L + 21315-E1-K + H315X207 + FSV615X207 INA  NRB4X27,8-G2 SKF  7004C/DB FAG  NUP2324-E-M1 ASK  NJ2316 NSK  NNU4940MBKR INA  PASE40-N

版权所有©2009-2015 轴承狗zcgou.com ICP备案:津ICP备14004550号-13