SKFSI35ES-2RS轴承详细参数

发布时间:2026-05-31
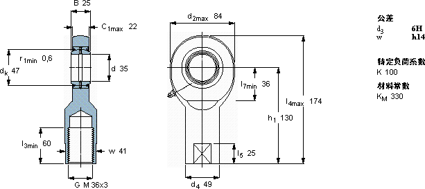
需要维护的杆端, 钢对钢,阴螺纹, 两面密封件
主要数据尺寸 角度倾的 基本负荷额定值 质量 型号
动态 静态 杆端带右或左旋螺纹
d d2 B d3 C1 h1± C C0
6H
mm 度数 kN kg -
358425M 36x3221306801341,40SI 35 ES-2RS

SKFSI35ES-2RS需维护的杆端关节轴承供应商

八零动力专业销售SI35ES-2RS需维护的杆端关节轴承,库存SKFSI35ES-2RS大量现货,与SKF合作,咨询热线:022-58519723业务咨询
SKFSI35ES-2RS轴承的耐用性强,减少了设备的停机维护时间它的材质选择,体现了对品质的极致追求 它在化工设备中的应用,展现了它的耐腐蚀性 它的精密设计,展现了人类智慧的巅峰 就是选择高效与可靠该轴承的性能出色,有效提升了机械设备的整体性能,八零动力SKF需维护的杆端关节轴承品种全,价格优,质量有保证!

用户关注最多的SKF轴承型号

SKF1312ETN9 SKF310-ZNR SKF51212 SKF6207-2Z/VA228 SKF665/653/Q SKF7232AC SKFBT4B331626BG/HA1 SKFE2.6301-2Z/C3 SKFFY1.1/4FM SKFMS3044 SKFNJ1011ECP SKFNJ313ECM* SKFNJG2307VH SKFQJ1060MA SKFSNW3128x4.15/16

SI35ES-2RS需维护的杆端关节轴承近似的SKF轴承型号

SKFSC35ES SKFSIR35ES SKFSAL35ES-2RS SKFSIL35ES-2RS SKFSI35ES-2RS SKFSA35ES-2RS SKFSCF35ES SKFSI30ES SKFSI35TXE-2LS

用户关注最多的轴承狗热门型号

KOYO  7240C KOYO  23128CC/W33 ASAHI  UKFU307+H2307 TIMKEN  23284YMB LYC  63/22 E/Z1 TIMKEN  SMN112K SKF  W6010-2Z SKF  NATV20 SNR  32024 NSK  7221CDT INA  RMWE12-RB/149x../108 SKF  NJ2319ECML* SKF  609-RSH* SKF  NUP2214E FAG  HSS71920-C-T-P4S

版权所有©2009-2015 轴承狗zcgou.com ICP备案:津ICP备14004550号-13