SKFCR400405轴承详细参数

发布时间:2026-04-29
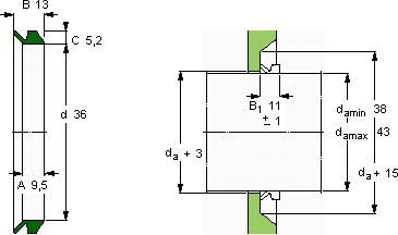
V形环密封件, VR2 设计
V形环密封件
da d A B C
最小 最大
mm mm - - - -
3843369,5135,2VR2VCR 400405400405

SKFCR400405V型圈密封供应商

八零动力专业销售CR400405V型圈密封,库存SKFCR400405大量现货,与SKF合作,咨询热线:022-58519723业务咨询
SKFCR400405以精湛工艺承载无限可能,它的可靠性,赢得了无数用户的信赖 以卓越品质承载重载历经岁月它在建筑机械中的应用,确保了设备的可靠性 ,八零动力SKFV型圈密封品种全,价格优,质量有保证!

用户关注最多的SKF轴承型号

SKF32307J2/Q SKF6312NR* SKF71913ACD/HCP4A SKF7317B/DF SKF7322BECBP SKFBTM120A/P4CDBB SKFCR27x42x7CRW1V SKFCR534952 SKFCR75X105X10HMS5V SKFFYTB3/4TF SKFFYTBK35TF SKFNJ230ECML* SKFNNU40/630M/W33 SKFNUP306ECM* SKFQJ1022N2MA

CR400405V型圈密封近似的SKF轴承型号

SKFCR400405 SKFCR400404 SKFCR400450

用户关注最多的轴承狗热门型号

国产  23220C FYH  UKP317+H2317 SKF  358X/354X/Q KOYO  1305 SKF  7202B SKF  32311BJ2/QCL7C FAG  SD3148-H-TS-AL-L + 23148-B-K-MB 国产  NJ224M FAG  BND3244-Z-T-BF-S FAG  BND3060-Z-T-AF-S TIMKEN  468/453A SNR  7240AC/DT NACHI  65KDE13 NTN  51256 SKF  4220ATN9

版权所有©2009-2015 轴承狗zcgou.com ICP备案:津ICP备14004550号-13