SKFSIKAC25M轴承详细参数

发布时间:2026-05-30
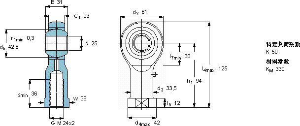
需要维护的杆端, 钢对青铜,阴螺纹
主要数据尺寸 角度倾的 基本负荷额定值 质量 型号
动态 静态 轴承座完全与
d d2 B d3 C1 h1± C C0
6H
mm 度数 kN kg -
256131M 24x223941547,5530,68SIKAC 25 M

SKFSIKAC25M需维护的杆端关节轴承供应商

八零动力专业销售SIKAC25M需维护的杆端关节轴承,库存SKFSIKAC25M大量现货,与SKF合作,咨询热线:022-58519723业务咨询
SKFSIKAC25M它的质量过硬,为机械设备的高效、安全、稳定运行 我们的轴承卓越的性能转动精彩这款轴承的稳定性极佳,在长时间运行中也能保持良好状态它的使用寿命,远超同类产品 轴承的性能可靠,为机械设备的稳定运行立下汗马功劳,八零动力SKF需维护的杆端关节轴承品种全,价格优,质量有保证!

用户关注最多的SKF轴承型号

SKF2210E-2RS1TN9/W64 SKF2318M SKF23292CAK/W33* SKF314625 SKF331713A SKF71832ACD/HCP4A SKF7320BEP SKFCR112X150X15CRSH11R SKFCR12X30X7HMS5V SKFCR26X47X7HMSA10V SKFCR4350565 SKFN10 SKFNU2315ECML* SKFP1.1/16WF SKFQJ222N2MA

SIKAC25M需维护的杆端关节轴承近似的SKF轴承型号

SKFSIL25ES SKFSIKAC25M SKFSIJ25ES SKFSIQG125ES SKFSAL25ES SKFSA25ES SKFSALKAC25M SKFSCF25ES SKFSIQG25ES SKFSIR25ES SKFSIKAC22M SKFSIKAC30M

用户关注最多的轴承狗热门型号

TIMKEN  EE170975/171450 SKF  GE30TXG3E-2LS SKF  71824ACD/HCP4 NSK  ZM-UCP205-013D1 LYC  NJ 315 Q1/P63S0 SKF  NJ2306E SKF  PCM060806B FAG  22344-K-MB FAG  SD3148-H-TS-BF-L + 23148-B-K-MB SKF  NUP2228ECML SKF  CR14X26X7CRW1V SKF  NK10/12TN SKF  S7010ACD/HCP4A SKF  71920CE/HCP4A NSK  24164CAE4

版权所有©2009-2015 轴承狗zcgou.com ICP备案:津ICP备14004550号-13