SKFSIJ100ES轴承详细参数

发布时间:2026-04-15
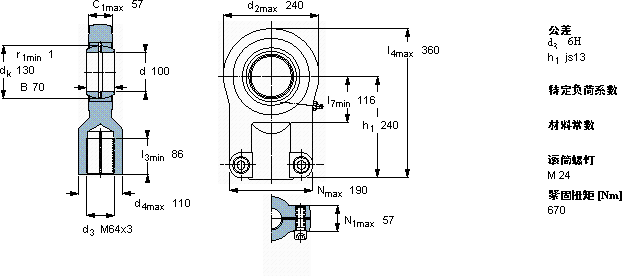
需要维护的杆端, 钢对钢,阴螺纹,用于液压滚筒
主要数据尺寸 角度倾的 基本负荷额定值 质量 型号
动态 静态 杆端带右旋螺纹
d d2 B d3 C1 h1± C C0
6H
mm 度数 kN kg -
10024070M64x357240361078026,0SIJ 100 ES

SKFSIJ100ES需维护的杆端关节轴承供应商

八零动力专业销售SIJ100ES需维护的杆端关节轴承,库存SKFSIJ100ES大量现货,与SKF合作,咨询热线:022-58519723业务咨询
SKFSIJ100ES它的精密装配,确保了整体性能的卓越 优秀的设计让这款轴承在运行时更加高效节能设计独特、性能优越的轴承,满足了不同用户的需求品质卓越的它,为机械设备的稳定、高效运行提供了支持性能优越的轴承,极大地提升了设备的工作性能和效率它的滚动体分布均匀,运转平稳无振动 ,八零动力SKF需维护的杆端关节轴承品种全,价格优,质量有保证!

用户关注最多的SKF轴承型号

SKF21307CC SKF22215E/W64* SKF22336CCJA/W33VA405 SKF24092CACK30/W33 SKF2x7405BCBM SKF3221 SKF7201BECBP SKF7212AC/DB SKFCR55X72X8HMS5RG SKFCR95x115x12CRW1R SKFNJ2211ECM* SKFNJ2314ECML* SKFNK73/35 SKFNU2276ECMA SKFOKBS113

SIJ100ES需维护的杆端关节轴承近似的SKF轴承型号

SKFSIJ100ES SKFSIQG100ES SKFSCF100ES SKFSIR100ES SKFSIA80TXE-2LS SKFSIJ12E

用户关注最多的轴承狗热门型号

STEYR  NJ2210E SKF  FYR1.11/16-3 STEYR  6212-2RS TORRINGTON  24036CCK30/W33 TIMKEN  140RU03 TIMKEN  DV-53 NSK  HR30228J SKF  PCMW142601.5E SKF  CR170X190X15CRSH1R SNR  3310 SKF  CR24340 国产  7028CTA IKO  GS190255 IKO  CFE6BR IKO  LRT151916

版权所有©2009-2015 轴承狗zcgou.com ICP备案:津ICP备14004550号-13