SKFSIKAC30M/VZ019轴承详细参数

发布时间:2026-04-14
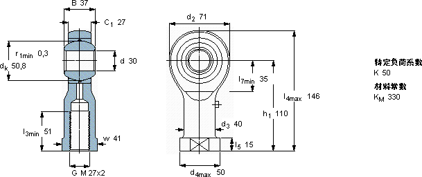
需要维护的杆端, 钢对青铜,阴螺纹
主要数据尺寸 角度倾的 基本负荷额定值 质量 型号
动态 静态 轴承座完全与
d d2 B d3 C1 h1± C C0
6H
mm 度数 kN kg -
307137M 27x227110156469,51,10SIKAC 30 M/VZ019

SKFSIKAC30M/VZ019需维护的杆端关节轴承供应商

八零动力专业销售SIKAC30M/VZ019需维护的杆端关节轴承,库存SKFSIKAC30M/VZ019大量现货,与SKF合作,咨询热线:022-58519723业务咨询
SKFSIKAC30M/VZ019轴承的耐用性极佳,能够承受高强度的工作负荷先进的制造技术和严格的质量控制,造就了这款优质轴承它的表面硬化处理,延长了它的使用寿命 它在矿山设备中的应用,确保了设备的高负载能力 为您的工程保驾护航,它的耐磨性能,让它在恶劣环境下依然稳定运行 ,八零动力SKF需维护的杆端关节轴承品种全,价格优,质量有保证!

用户关注最多的SKF轴承型号

SKF1307ETN9 SKF22256CCK/W33* SKF71910AC SKF7310BECBY SKF98205 SKFC2215K+AH315G* SKFC4032* SKFCR116500 SKFCR17271 SKFCR82521 SKFFNL507B SKFFYR2.7/16H-3 SKFH307E SKFK9x12x13TN SKFNU2356MA

SIKAC30M/VZ019需维护的杆端关节轴承近似的SKF轴承型号

SKFSALKAC30M SKFSILKAC30M SKFSI30ES SKFSIL30ES SKFSCF30ES SKFSAKAC30M SKFSIR30ES SKFSIKAC30M/VZ019 SKFSIKAC30M SKFSAL30ES SKFSIKAC30M SKFSIKAC5M

用户关注最多的轴承狗热门型号

SKF  YAT206-104 LYC  NUKR 250 X/YA KOYO  22219CCK/W33+H319 SKF  YAT211-203 SKF  21305CCK INA  KUVE20-B-SL TIMKEN  67786/67720CD+X1S-67787 SKF  31311J2/QCL7C 国产  WW1417PP2 NTN  51215 NSK  HR302/32 NTN  61801-Z TIMKEN  K25X33X25H 国产  RNU305 IKO  KT556020

版权所有©2009-2015 轴承狗zcgou.com ICP备案:津ICP备14004550号-13