SKFSI30ES轴承详细参数

发布时间:2026-05-30
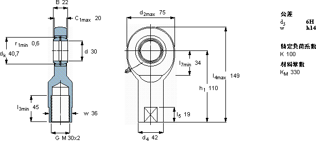
需要维护的杆端, 钢对钢,阴螺纹
主要数据尺寸 角度倾的 基本负荷额定值 质量 型号
动态 静态 杆端带右或左旋螺纹
d d2 B d3 C1 h1± C C0
6H
mm 度数 kN kg -
307522M 30x2201106621161,00SI 30 ES

SKFSI30ES需维护的杆端关节轴承供应商

八零动力专业销售SI30ES需维护的杆端关节轴承,库存SKFSI30ES大量现货,与SKF合作,咨询热线:022-58519723业务咨询
SKFSI30ES设计合理、性能优良的它,是机械设备实现高效运行的重要保障它在冶金设备中的应用,确保了设备的高温性能 它的抗剪切性能,确保了它的结构稳定性 它的润滑技术,让摩擦降至最低 它的低摩擦设计,减少了能量损耗 是您机械世界里的不败功臣,,八零动力SKF需维护的杆端关节轴承品种全,价格优,质量有保证!

用户关注最多的SKF轴承型号

SKF22312CC/W33 SKF23056CC/W33* SKF24152CCK30/W33* SKF33211 SKF7221BECBM SKFC4060K30M+AOH24060G* SKFCR105X145X15CRS11R SKFCR15x35x7CRW1R SKFCR85X115X12HMS5V SKFFY1.3/16RM SKFIR30x37x18 SKFN206ECP SKFP80R-1.1/4RM SKFPF5/8RM SKFW6008-2RS1

SI30ES需维护的杆端关节轴承近似的SKF轴承型号

SKFSCF30ES SKFSIL30ES SKFSALKAC30M SKFSAKAC30M SKFSI30ES SKFSIJ30ES SKFSILKAC30M SKFSAL30ES SKFSIKAC30M SKFSC30ES SKFSI30C SKFSI35ES-2RS

用户关注最多的轴承狗热门型号

国产  2222 SKF  NJG2340VH SKF  CR27x42x7CRW1R ZKL  7240B SKF  HMV100E SKF  H2334 国产  6200-Z/Z2 STEYR  3315 GMN  7209C/DF FAG  22314-E1-K-T41A + AHX2314G SKF  7314B/DF NACHI  6908NSE TORRINGTON FAFNIR  6009-Z SKF  6202/HR22T2 FAG  22317-E1-K + H2317

版权所有©2009-2015 轴承狗zcgou.com ICP备案:津ICP备14004550号-13