SKFSIL30ES轴承详细参数

发布时间:2026-05-30
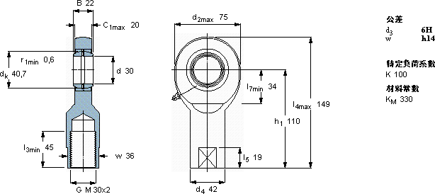
需要维护的杆端, 钢对钢,阴螺纹
主要数据尺寸 角度倾的 基本负荷额定值 质量 型号
动态 静态 杆端带右或左旋螺纹
d d2 B d3 C1 h1± C C0
6H
mm 度数 kN kg -
307522M 30x2201106621161,00SIL 30 ES

SKFSIL30ES需维护的杆端关节轴承供应商

八零动力专业销售SIL30ES需维护的杆端关节轴承,库存SKFSIL30ES大量现货,与SKF合作,咨询热线:022-58519723业务咨询
SKFSIL30ES制造工艺先进,使得这款轴承的性能远超普通产品引领行业速度,我们的轴承始终稳如磐石它在航空航天领域的应用,展现了它的高可靠性 轴承的稳定性和可靠性都十分出色,赢得了用户的信赖转动世界的精密之选,这轴承的稳定性极佳,即使在恶劣环境下也能正常工作,八零动力SKF需维护的杆端关节轴承品种全,价格优,质量有保证!

用户关注最多的SKF轴承型号

SKF23036CCK/W33+AH3036* SKF23972CCK/W33* SKF618/7 SKFBK2518RS SKFCR13275 SKFCR25004 SKFCR7478 SKFHCRE060R SKFHK1412 SKFN1017KTNHA/HC5SP SKFNJ2216ECP SKFPCZ2828B SKFRNAO40x50x34 SKFSAF22509x1.3/8 SKFSNW40x7.3/16

SIL30ES需维护的杆端关节轴承近似的SKF轴承型号

SKFSA30ES SKFSAL30ES SKFSAKAC30M SKFSIL30ES SKFSALKAC30M SKFSI30ES SKFSILKAC30M SKFSIKAC30M/VZ019 SKFSIKAC30M SKFSCF30ES SKFSIL30C SKFSIL35ES-2RS

用户关注最多的轴承狗热门型号

STEYR  2309K NTN  7932CDT 国产  61813TN1 LYC  GC 3062/内组件 GMN  7036AC/DT FAG  H24172-HG LYC  22206 C FAG  SNV100-L + 2309-K-TVH-C3 + H2309X109 + TSV609 KOYO  NU1012 SKF  3211ATN9 MRC  7214AC FAG  SNV180-L + 23220-E1-K-TVPB + H2320X307 + TCV520X30 SKF  HMVC32E SNR  1210K SKF  32030

版权所有©2009-2015 轴承狗zcgou.com ICP备案:津ICP备14004550号-13