SKFSIKAC30M轴承详细参数

发布时间:2026-05-30
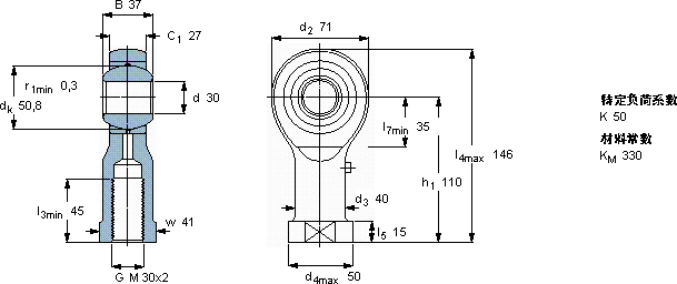
需要维护的杆端, 钢对青铜,阴螺纹
主要数据尺寸 角度倾的 基本负荷额定值 质量 型号
动态 静态 轴承座完全与
d d2 B d3 C1 h1± C C0
6H
mm 度数 kN kg -
307137M 30x227110156469,51,10SIKAC 30 M

SKFSIKAC30M需维护的杆端关节轴承供应商

八零动力专业销售SIKAC30M需维护的杆端关节轴承,库存SKFSIKAC30M大量现货,与SKF合作,咨询热线:022-58519723业务咨询
SKFSIKAC30M它的轻量化设计,减少了材料的使用 它的耐用性,让人惊叹不已 它的故障率极低,确保了设备的稳定运行 它的精密设计,展现了人类智慧的巅峰 让您的设备高效运行,它的低摩擦设计,减少了能量损耗 ,八零动力SKF需维护的杆端关节轴承品种全,价格优,质量有保证!

用户关注最多的SKF轴承型号

SKF2205 SKF22320EJA/VA405 SKF2x7208BECBM* SKF3309A-2Z/MT33* SKF71820CD/HCP4A SKFAHX2311 SKFCR110X140X12HMSA10V SKFCR19635 SKFCRMVR1-30 SKFFSYE2.7/16-3 SKFKD10-604 SKFNNU4168K30M/W33 SKFPCM859060M SKFSNW34x5.7/8 SKFYAR205-100-2RF/HV

SIKAC30M需维护的杆端关节轴承近似的SKF轴承型号

SKFSIKAC30M SKFSAL30ES SKFSIKAC30M/VZ019 SKFSIR30ES SKFSCF30ES SKFSILKAC30M SKFSC30ES SKFSI30ES SKFSAKAC30M SKFSALKAC30M SKFSIKAC25M SKFSIKAC30M/VZ019

用户关注最多的轴承狗热门型号

TIMKEN  010-10601 LYC  N 317 L LYC  6303 E-2RS/C3Z1 SKF  6204/HR22T2 RHP  6208-2RS INA  GE25-UK SKF  635043 RHP  7202AC 国产  B7230AC NACHI  NP221 FAG  BND2232-H-W-Y-BF-S MRC  7309C/DB KOYO  NU10/560 INA  RMWE12-RB/89x../60 IKO  POS14

版权所有©2009-2015 轴承狗zcgou.com ICP备案:津ICP备14004550号-13