SKFSILKAC10M轴承详细参数

发布时间:2026-05-30
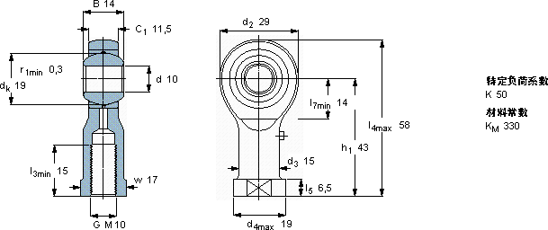
需要维护的杆端, 钢对青铜,阴螺纹
主要数据尺寸 角度倾的 基本负荷额定值 质量 型号
动态 静态 轴承座完全与
d d2 B d3 C1 h1± C C0
6H
mm 度数 kN kg -
102914M 1011,543131012,20,079SILKAC 10 M

SKFSILKAC10M需维护的杆端关节轴承供应商

八零动力专业销售SILKAC10M需维护的杆端关节轴承,库存SKFSILKAC10M大量现货,与SKF合作,咨询热线:022-58519723业务咨询
SKFSILKAC10M它的可靠性,赢得了无数工程师的信任 它的抗剪切性能,确保了它的结构稳定性 轴承的稳定性和可靠性表现卓越,赢得了广泛赞誉制造工艺先进,使得这款轴承的性能远超普通产品先进的制造技术和严格的质量控制,造就了这款优质轴承给您意想不到的顺畅体验,,八零动力SKF需维护的杆端关节轴承品种全,价格优,质量有保证!

用户关注最多的SKF轴承型号

SKF231/500CAK/W33* SKF2x7314BECBM* SKF32017X/QDF SKF5314E SKFCR34X52X8HMS5RG SKFCR52475 SKFCR524210 SKFCR529490 SKFCR85038 SKFFYRP1.7/16H-18 SKFGEH110TXA-2LS SKFIR20x25x17 SKFNUP205E SKFPCMF353926E SKFSYNT90F

SILKAC10M需维护的杆端关节轴承近似的SKF轴承型号

SKFSA10E SKFSI10E SKFSIQG100ES SKFSILKAC10M SKFSIR100ES SKFSIJ100ES SKFSAL10E SKFSIL10E SKFSAKAC10M SKFSIKAC10M/VZ019 SKFSILA80TXE-2LS SKFSILKAC12M

用户关注最多的轴承狗热门型号

TIMKEN  80FSH130-TT KOYO  69/670 国产  UCC216 TORRINGTON  21313CC LYC  6301 E-2RZ/P63S0 NSK  NJ410W 国产  UEL211 TIMKEN  67885/67820 NSK  2310 NSK  7312BWDT GMN  7030AC KOYO  33017 NACHI  H715334/H715310 MRC  7324B/DF IKO  BRI406024

版权所有©2009-2015 轴承狗zcgou.com ICP备案:津ICP备14004550号-13