SKFSALKAC10M轴承详细参数

发布时间:2026-04-15
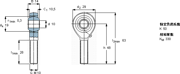
需要维护的杆端, 钢对青铜,阳螺纹
主要数据尺寸 角度倾的 基本负荷额定值 质量 型号
动态 静态 轴承座完全与
d d2 B d3 C1 h ± C C0
6g
mm 度数 kN kg -
102914M 1010,548131010,80,059SALKAC 10 M

SKFSALKAC10M需维护的杆端关节轴承供应商

八零动力专业销售SALKAC10M需维护的杆端关节轴承,库存SKFSALKAC10M大量现货,与SKF合作,咨询热线:022-58519723业务咨询
SKFSALKAC10M它机械世界的心脏,默默支撑着无数设备的运转 坚固的结构稳定的性能畅享稳定顺滑的旋转之旅,这轴承的选材讲究,坚固耐用,寿命远超同类产品它的轴向跳动控制,确保了机械的平稳运行 转动精彩,八零动力SKF需维护的杆端关节轴承品种全,价格优,质量有保证!

用户关注最多的SKF轴承型号

SKF23092CAC/W33 SKF32052T189X/DBC280 SKF6068M SKF6310-ZN SKF638/8-2Z SKFBC4-8010/HA4 SKFC4022K30V* SKFCR11344 SKFCR416000 SKFCR68x88x8CRW1R SKFCR75X100X10HMSA10V SKFGS81138 SKFNJ208ECML* SKFNNU6038V SKFRSTO30

SALKAC10M需维护的杆端关节轴承近似的SKF轴承型号

SKFSIQG100ES SKFSIKAC10M/VZ019 SKFSIL10E SKFSALKAC10M SKFSA10E SKFSAKAC10M SKFSIKAC10M SKFSIJ100ES SKFSCF100ES SKFSAL10E SKFSALA80TXE-2LS SKFSALKAC12M

用户关注最多的轴承狗热门型号

RIV  NUP205 TIMKEN  55206/55444D+X1S-55206 BARDEN  7020C/DB STEYR  54309 NSK  53332X NACHI  130KBE031 LYC  23172 K/C3W33 INA  GWA20 TIMKEN  555-S/552 KOYO  3313A-RS LYC  NUP 2212 ECP LYC  1797/3230G2Y4 MRC  6312N SKF  891/750M SNR  7007C/DT

版权所有©2009-2015 轴承狗zcgou.com ICP备案:津ICP备14004550号-13