SKFSIL10E轴承详细参数

发布时间:2026-04-15
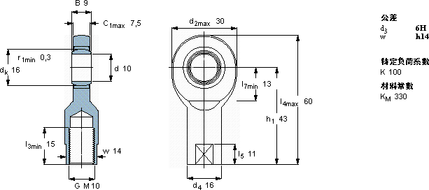
需要维护的杆端, 钢对钢,阴螺纹
主要数据尺寸 角度倾的 基本负荷额定值 质量 型号
动态 静态 杆端带右或左旋螺纹
d d2 B d3 C1 h1± C C0
6H
mm 度数 kN kg -
10309M 107,543128,15190,069SIL 10 E

SKFSIL10E需维护的杆端关节轴承供应商

八零动力专业销售SIL10E需维护的杆端关节轴承,库存SKFSIL10E大量现货,与SKF合作,咨询热线:022-58519723业务咨询
SKFSIL10E它在食品机械中的应用,展现了它的卫生性能 它的耐用性,赢得了无数用户的信赖 它在风力发电中的应用,为清洁能源贡献力量 精湛的工艺打造出的轴承,精度和稳定性都令人称赞卓越的性能表现,使这款轴承在市场上拥有良好的口碑是您值得信赖的工业伙伴,为您的机械保驾护航,八零动力SKF需维护的杆端关节轴承品种全,价格优,质量有保证!

用户关注最多的SKF轴承型号

SKF25590/25520/Q SKF61809-RZ SKF7309BECBY SKFBT4B332078/HA4 SKFBVNB328733/HA1 SKFCR17919 SKFCR62X80X10HMSA10RG SKFFSYE2.3/4NH-118 SKFIR12x16x12IS1 SKFIR40x50x22 SKFNJ2317ECM* SKFNK15/16 SKFOH3956H SKFS7015CD/P4A SKFT7FC080T98/QCL7CDTC20*

SIL10E需维护的杆端关节轴承近似的SKF轴承型号

SKFSAL10E SKFSIKAC10M/VZ019 SKFSIR100ES SKFSIKAC10M SKFSAKAC10M SKFSI10E SKFSIJ100ES SKFSCF110ES SKFSALKAC10M SKFSA10E SKFSIL10C SKFSIL12C

用户关注最多的轴承狗热门型号

FAG  BND3128-H-C-Y-BL-S INA  AXK1730 国产  KZK23*30*14 DKF  7003AC/DT SKF  NUP315ECML* NACHI  7302CDF RHP  7207B/DF SKF  51284F NTN  7226C/DT NTN  24072CACK30/W33 FAG  SNV130-L + 22215-E1-K + H315X210 + TSV515X210 RIV  NU310 SNR  6016-2Z 国产  3208A-2ZTN1 SKF  51226

版权所有©2009-2015 轴承狗zcgou.com ICP备案:津ICP备14004550号-13