SKFSIL35ES-2RS轴承详细参数

发布时间:2026-04-14
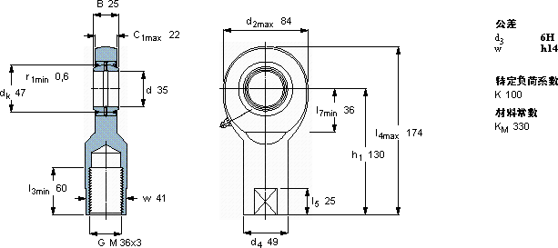
需要维护的杆端, 钢对钢,阴螺纹, 两面密封件
主要数据尺寸 角度倾的 基本负荷额定值 质量 型号
动态 静态 杆端带右或左旋螺纹
d d2 B d3 C1 h1± C C0
6H
mm 度数 kN kg -
358425M 36x3221306801341,40SIL 35 ES-2RS

SKFSIL35ES-2RS需维护的杆端关节轴承供应商

八零动力专业销售SIL35ES-2RS需维护的杆端关节轴承,库存SKFSIL35ES-2RS大量现货,与SKF合作,咨询热线:022-58519723业务咨询
SKFSIL35ES-2RS这轴承的稳定性极佳,即使在恶劣环境下也能正常工作高品质的轴承,在复杂工况下也能展现出卓越的性能它在航空航天领域的应用,展现了它的高可靠性 这款轴承的性能卓越,有效提升了设备的整体性能和可靠性承载重载历经岁月这轴承的制造工艺精湛,展现出了极高的工业水准,八零动力SKF需维护的杆端关节轴承品种全,价格优,质量有保证!

用户关注最多的SKF轴承型号

SKF3313A* SKF71914ACD/P4A SKFAOH3076G SKFBCRB326243 SKFBK0306TN SKFBT2B332830 SKFCR87613 SKFEE243196/243250/HA2 SKFFY1.1/2TF SKFFYJ35KF SKFK45x50x17 SKFNUP2211ECP* SKFS71919FB/P7 SKFSY25PF SKFSY25TR

SIL35ES-2RS需维护的杆端关节轴承近似的SKF轴承型号

SKFSI35ES-2RS SKFSIL35ES-2RS SKFSA35ES-2RS SKFSCF35ES SKFSIR35ES SKFSAL35ES-2RS SKFSC35ES SKFSIL30ES SKFSIL35TXE-2LS

用户关注最多的轴承狗热门型号

SKF  81248 KINGON  MR149ZZ TIMKEN  G1110KPPB4 TIMKEN  K20X26X17H SKF  PFD15/16WF ASK  NJ206 LYC  800179B SKF  7038CD/P4A FAG  SNV340-L + 22332-MB + TSV332 KOYO  61832 国产  6307/Z2 LYC  22222 CK/W33 NACHI  23040A2XW33 NACHI  53218 INA  RWS1808-300/x300/x204

版权所有©2009-2015 轴承狗zcgou.com ICP备案:津ICP备14004550号-13