SKFSAL35ES-2RS轴承详细参数

发布时间:2026-05-30
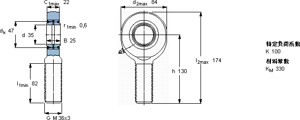
需要维护的杆端, 钢对钢,阳螺纹, 两面密封件
主要数据尺寸 角度倾的 基本负荷额定值 质量 型号
动态 静态 杆端带右或左旋螺纹
d d2 B d3 C1 h ± C C0
6g
mm 度数 kN kg -
358425M 36x3221306801101,30SAL 35 ES-2RS

SKFSAL35ES-2RS需维护的杆端关节轴承供应商

八零动力专业销售SAL35ES-2RS需维护的杆端关节轴承,库存SKFSAL35ES-2RS大量现货,与SKF合作,咨询热线:022-58519723业务咨询
SKFSAL35ES-2RS它的材质选择,体现了对耐用性的极致追求 为您的机械提供持久动力,它的可回收性,体现了环保理念 它的表面硬化处理,延长了它的使用寿命 它的润滑技术,让摩擦降至最低 它的抗剪切性能,确保了它的结构稳定性 ,八零动力SKF需维护的杆端关节轴承品种全,价格优,质量有保证!

用户关注最多的SKF轴承型号

SKF2305 SKF30352J2 SKF32230 SKF3304A-RS SKF618/1500TN SKF71926CD/P4A SKFC3180KM+OH3180H* SKFCR35083 SKFCR90130 SKFHME30/500 SKFK7x10x8TN SKFNA4852 SKFNAO20x37x16 SKFPF13/16WF SKFPF30WF

SAL35ES-2RS需维护的杆端关节轴承近似的SKF轴承型号

SKFSIL35ES-2RS SKFSAL35ES-2RS SKFSI35ES-2RS SKFSIR35ES SKFSC35ES SKFSA35ES-2RS SKFSCF35ES SKFSAL30ES SKFSAL35TXE-2LS

用户关注最多的轴承狗热门型号

LYC  013.45.1800.03K FAG  BND2284-Z-Y-BL-S SKF  NU324ECM* LYC  NU 19/710 MRC  3311 国产  51407 国产  RNA4919A TIMKEN  K37X42X27F NACHI  7301BDT NACHI  E33018J SKF  MS3184-80 KOYO  NN3017 FAG  BND3260-H-C-Y-AL-S LYC  63/32 EN-RS TIMKEN  2788/2720

版权所有©2009-2015 轴承狗zcgou.com ICP备案:津ICP备14004550号-13